Snapper SE5203E - 20" Snowthrower, 5 HP, Single Stage Auger Housing & Chute Group Ersatzteile
Auger Housing & Chute Group SE5203E - Snapper 20" Snowthrower, 5 HP, Single Stage

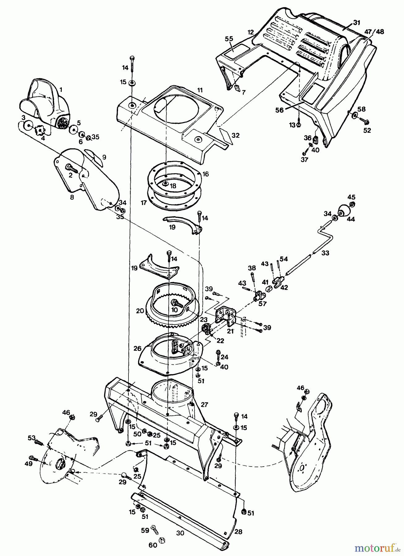
Hier finden Sie die Ersatzteilzeichnung für Snapper Schneefräsen SE5203E - Snapper 20" Snowthrower, 5 HP, Single Stage Auger Housing & Chute Group. Wählen Sie das benötigte Ersatzteil aus der Ersatzteilliste Ihres Snapper Gerätes aus und bestellen Sie einfach online. Viele Snapper Ersatzteile halten wir ständig in unserem Lager für Sie bereit.


Qualitätsmanagement
Informieren Sie uns, wenn Sie einen Fehler gefunden haben.


