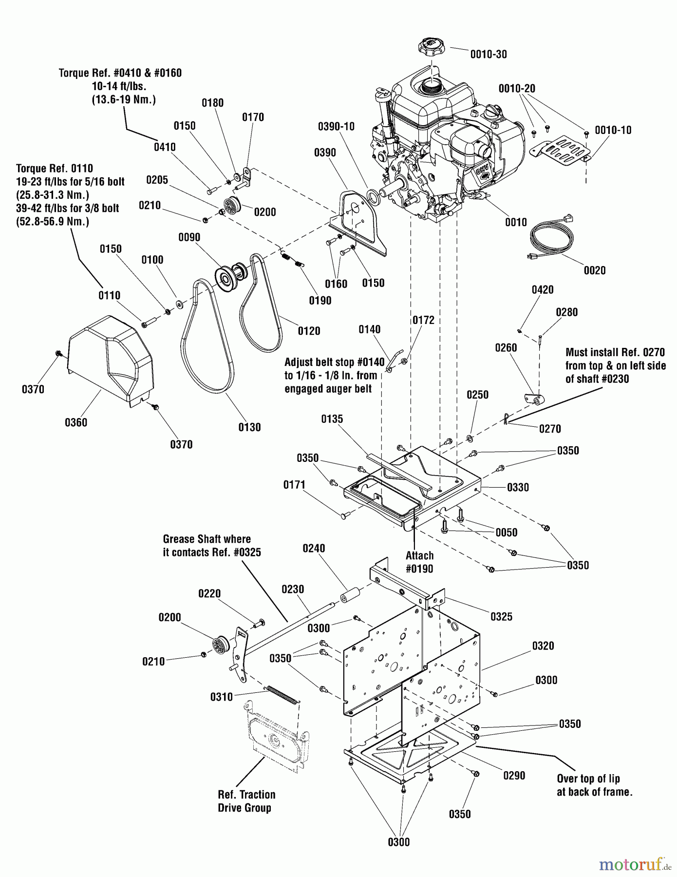
Snapper M924E (1696172-01) - 24" Snowthrower, 9TP, Intermediate Stage Engine & Frame Group - 9TP Ersatzteile
Engine & Frame Group - 9TP M924E (1696172-01) - Snapper 24" Snowthrower, 9TP, Intermediate Stage

Hier finden Sie die Ersatzteilzeichnung für Snapper Schneefräsen M924E (1696172-01) - Snapper 24" Snowthrower, 9TP, Intermediate Stage Engine & Frame Group - 9TP. Wählen Sie das benötigte Ersatzteil aus der Ersatzteilliste Ihres Snapper Gerätes aus und bestellen Sie einfach online. Viele Snapper Ersatzteile halten wir ständig in unserem Lager für Sie bereit.


Qualitätsmanagement
Informieren Sie uns, wenn Sie einen Fehler gefunden haben.




