Snapper M1227EX (1695964) - 27" Snowthrower, 11.5 HP, Two Stage Intermediate Engine & Frame Group Ersatzteile
Engine & Frame Group M1227EX (1695964) - Snapper 27" Snowthrower, 11.5 HP, Two Stage Intermediate

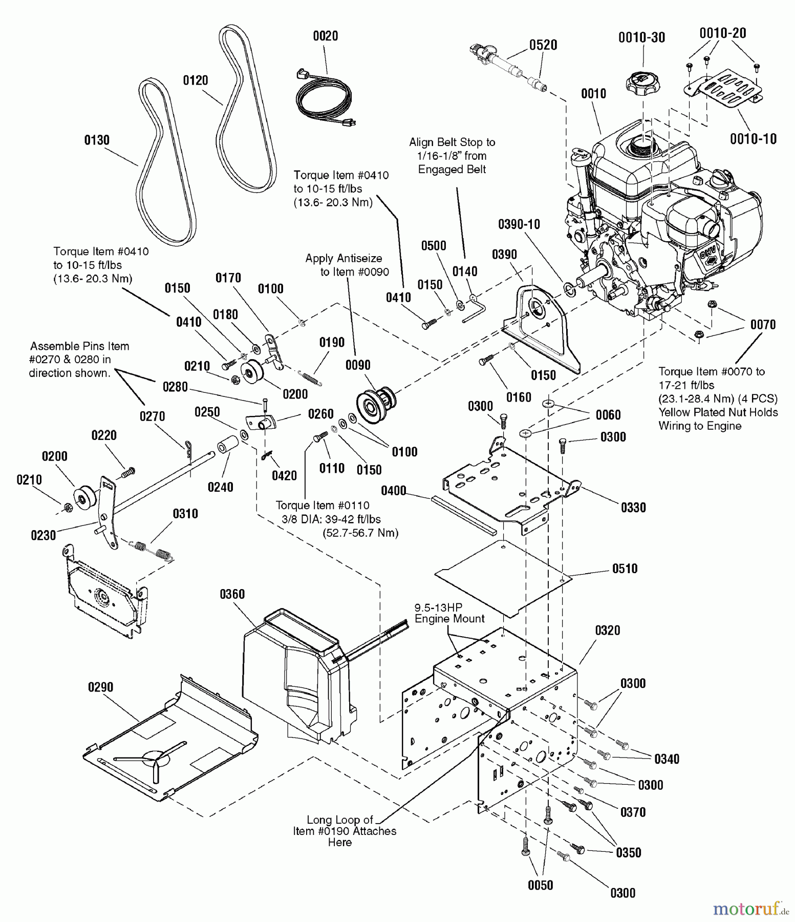
Hier finden Sie die Ersatzteilzeichnung für Snapper Schneefräsen M1227EX (1695964) - Snapper 27" Snowthrower, 11.5 HP, Two Stage Intermediate Engine & Frame Group. Wählen Sie das benötigte Ersatzteil aus der Ersatzteilliste Ihres Snapper Gerätes aus und bestellen Sie einfach online. Viele Snapper Ersatzteile halten wir ständig in unserem Lager für Sie bereit.


Qualitätsmanagement
Informieren Sie uns, wenn Sie einen Fehler gefunden haben.





