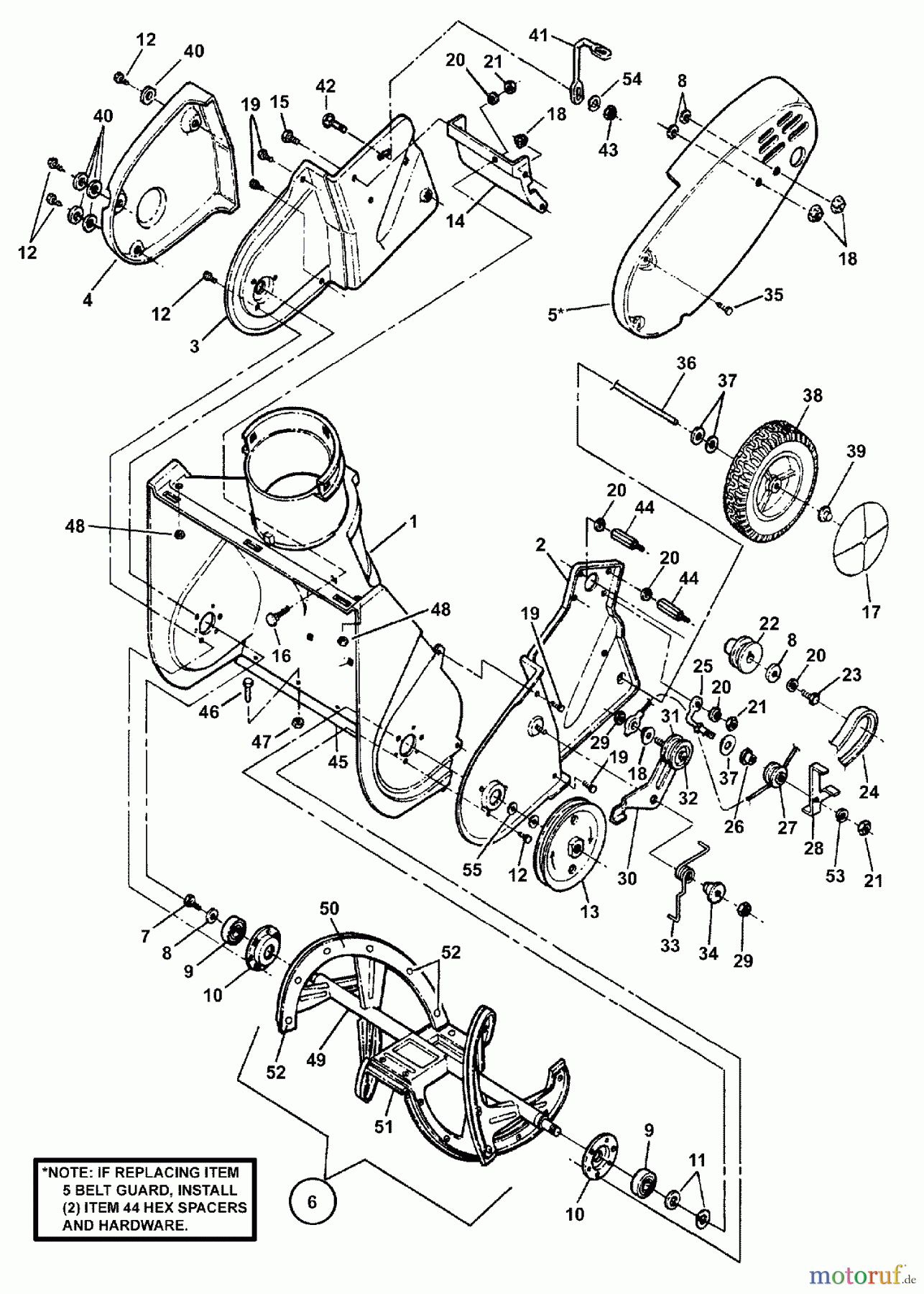
Snapper LE3191E (85662) - 19" Snowthrower, 3 HP, Single Stage, Series 1 AUGER HOUSING, DRIVE SYSTEM, CHASSIS Ersatzteile
AUGER HOUSING, DRIVE SYSTEM, CHASSIS LE3191E (85662) - Snapper 19" Snowthrower, 3 HP, Single Stage, Series 1

Hier finden Sie die Ersatzteilzeichnung für Snapper Schneefräsen LE3191E (85662) - Snapper 19" Snowthrower, 3 HP, Single Stage, Series 1 AUGER HOUSING, DRIVE SYSTEM, CHASSIS. Wählen Sie das benötigte Ersatzteil aus der Ersatzteilliste Ihres Snapper Gerätes aus und bestellen Sie einfach online. Viele Snapper Ersatzteile halten wir ständig in unserem Lager für Sie bereit.


Qualitätsmanagement
Informieren Sie uns, wenn Sie einen Fehler gefunden haben.



