Snapper L1730EX (1695855) - 30" Snowthrower, 16.5TP, Two Stage Large Frame (Export) Engine & Frame Group - 14.5TP & 16.5TP Ersatzteile
Engine & Frame Group - 14.5TP & 16.5TP L1730EX (1695855) - Snapper 30" Snowthrower, 16.5TP, Two Stage Large Frame (Export)

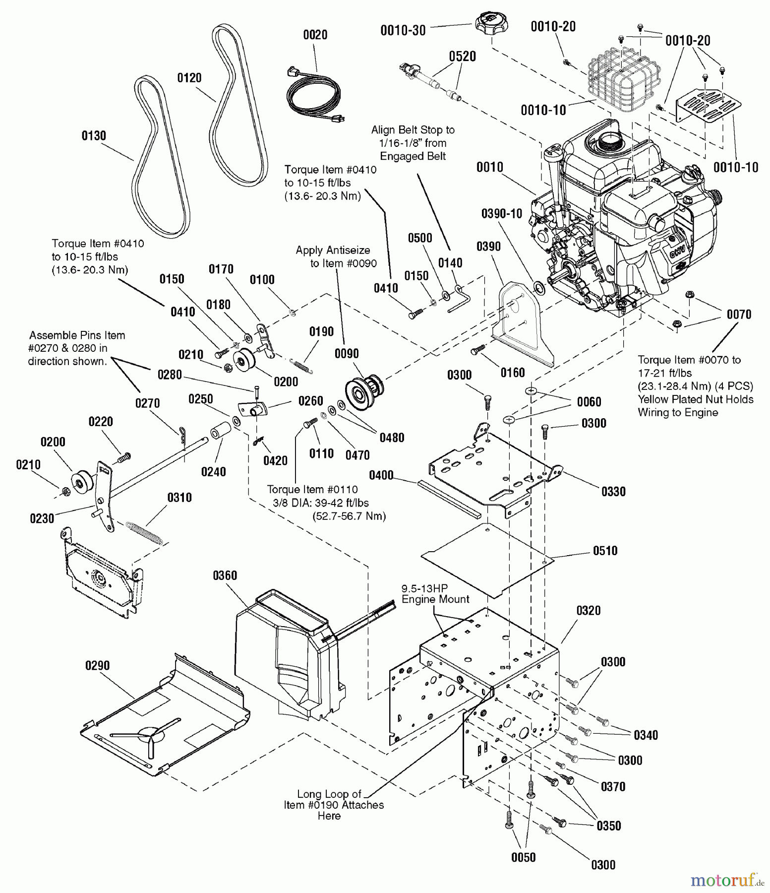
Hier finden Sie die Ersatzteilzeichnung für Snapper Schneefräsen L1730EX (1695855) - Snapper 30" Snowthrower, 16.5TP, Two Stage Large Frame (Export) Engine & Frame Group - 14.5TP & 16.5TP. Wählen Sie das benötigte Ersatzteil aus der Ersatzteilliste Ihres Snapper Gerätes aus und bestellen Sie einfach online. Viele Snapper Ersatzteile halten wir ständig in unserem Lager für Sie bereit.


Qualitätsmanagement
Informieren Sie uns, wenn Sie einen Fehler gefunden haben.





