Snapper L1226E (1695679) - 26" Snowthrower, 11.0 HP, Two Stage, Large Frame Engine Group - 11.5TP Ersatzteile
Engine Group - 11.5TP L1226E (1695679) - Snapper 26" Snowthrower, 11.0 HP, Two Stage, Large Frame

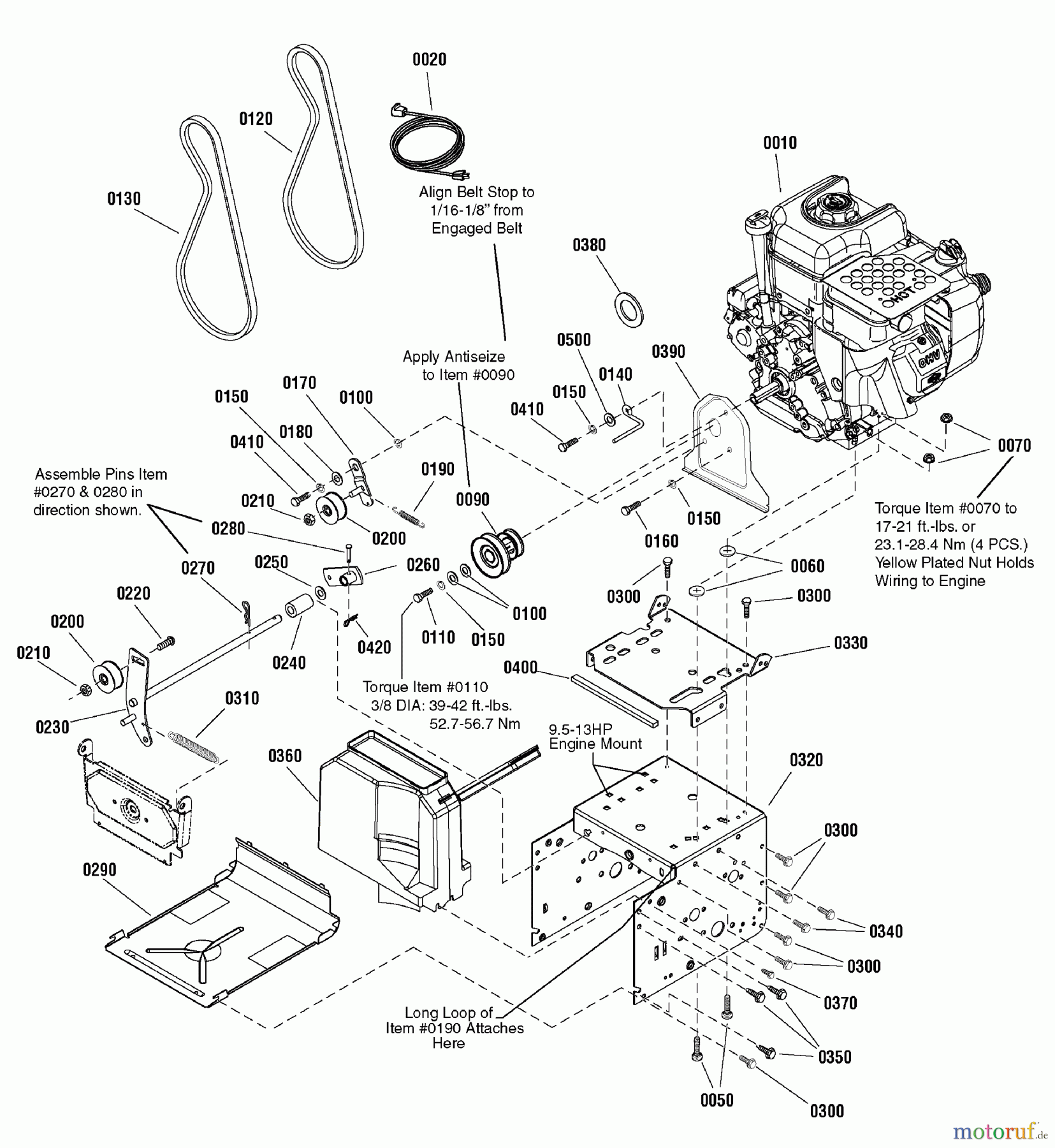
Hier finden Sie die Ersatzteilzeichnung für Snapper Schneefräsen L1226E (1695679) - Snapper 26" Snowthrower, 11.0 HP, Two Stage, Large Frame Engine Group - 11.5TP. Wählen Sie das benötigte Ersatzteil aus der Ersatzteilliste Ihres Snapper Gerätes aus und bestellen Sie einfach online. Viele Snapper Ersatzteile halten wir ständig in unserem Lager für Sie bereit.


Qualitätsmanagement
Informieren Sie uns, wenn Sie einen Fehler gefunden haben.




