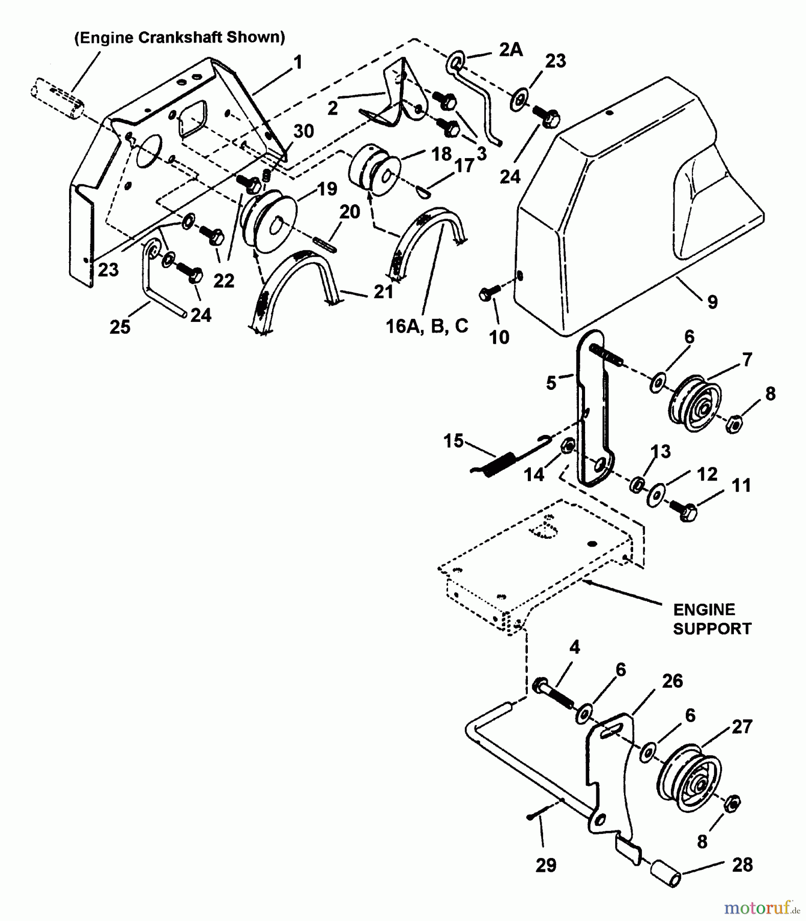
Snapper I5223 - 22" Snowthrower, 5 HP, Two Stage, Intermediate Frame, Series 3 Engine, Pulley, Idler, Clutch System Ersatzteile
Engine, Pulley, Idler, Clutch System I5223 - Snapper 22" Snowthrower, 5 HP, Two Stage, Intermediate Frame, Series 3

Hier finden Sie die Ersatzteilzeichnung für Snapper Schneefräsen I5223 - Snapper 22" Snowthrower, 5 HP, Two Stage, Intermediate Frame, Series 3 Engine, Pulley, Idler, Clutch System. Wählen Sie das benötigte Ersatzteil aus der Ersatzteilliste Ihres Snapper Gerätes aus und bestellen Sie einfach online. Viele Snapper Ersatzteile halten wir ständig in unserem Lager für Sie bereit.


Qualitätsmanagement
Informieren Sie uns, wenn Sie einen Fehler gefunden haben.

