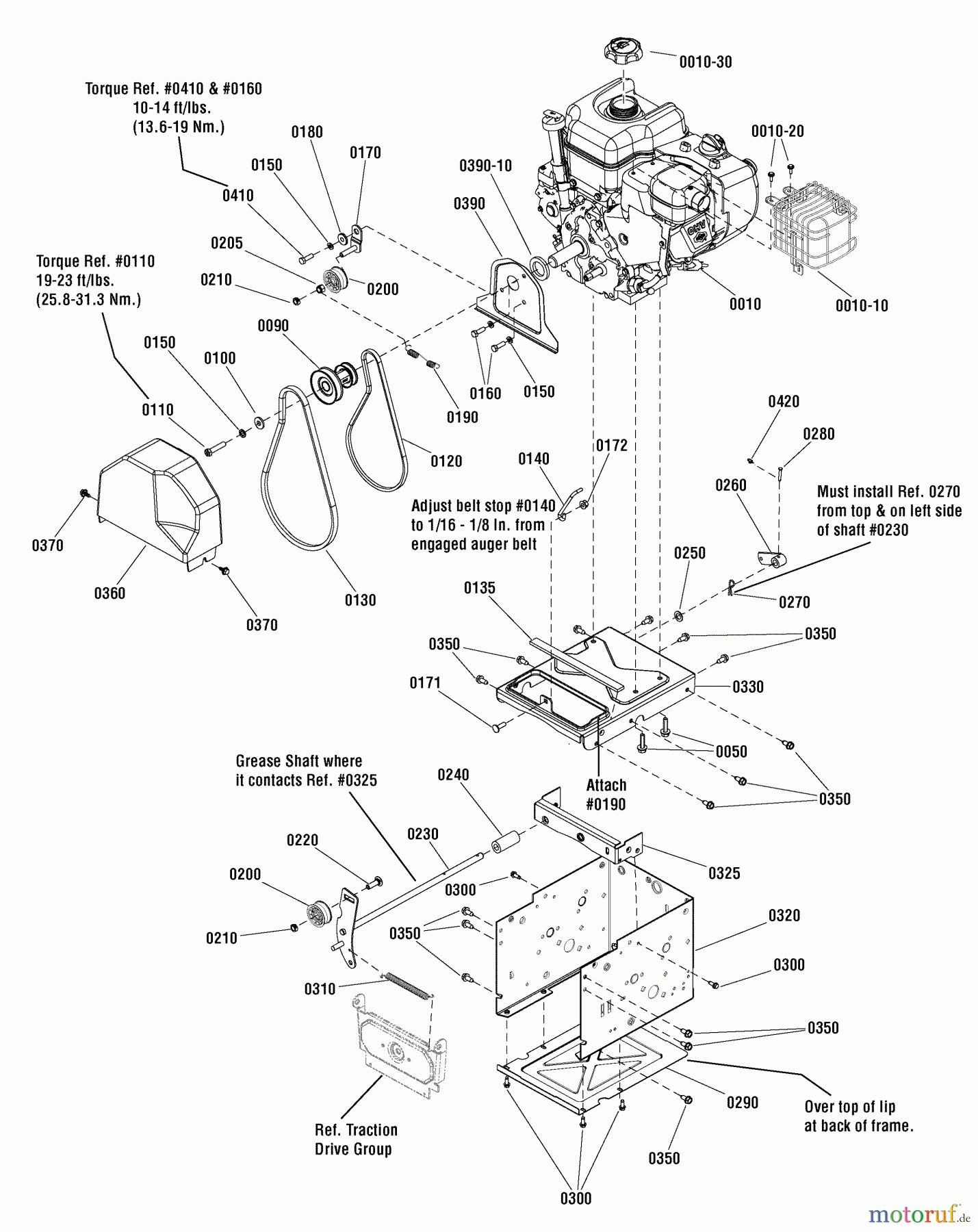
Snapper H924RX (1696008) - 24" Snowthrower, 9 HP, Two Stage Intermediate Engine & Frame Group Ersatzteile
Engine & Frame Group H924RX (1696008) - Snapper 24" Snowthrower, 9 HP, Two Stage Intermediate

Hier finden Sie die Ersatzteilzeichnung für Snapper Schneefräsen H924RX (1696008) - Snapper 24" Snowthrower, 9 HP, Two Stage Intermediate Engine & Frame Group. Wählen Sie das benötigte Ersatzteil aus der Ersatzteilliste Ihres Snapper Gerätes aus und bestellen Sie einfach online. Viele Snapper Ersatzteile halten wir ständig in unserem Lager für Sie bereit.






