Snapper H1528SE (1696177-00) - 28" Snowthrower 14.5 HP, Large Frame Engine Group - 11.5TP, 14.5TP & 16.5TP Ersatzteile
Engine Group - 11.5TP, 14.5TP & 16.5TP H1528SE (1696177-00) - Snapper 28" Snowthrower 14.5 HP, Large Frame

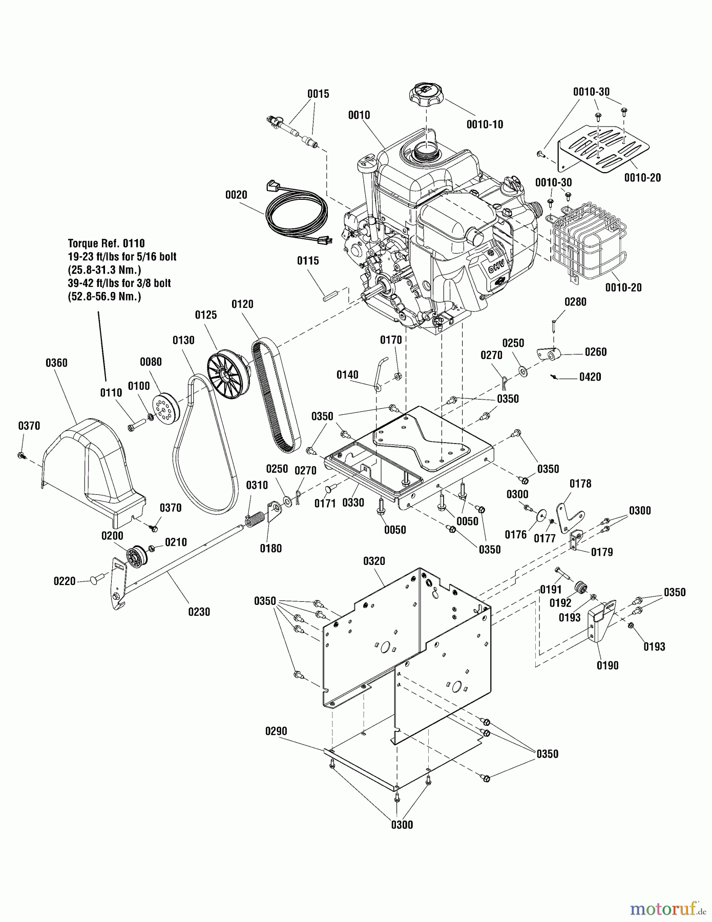
Hier finden Sie die Ersatzteilzeichnung für Snapper Schneefräsen H1528SE (1696177-00) - Snapper 28" Snowthrower 14.5 HP, Large Frame Engine Group - 11.5TP, 14.5TP & 16.5TP. Wählen Sie das benötigte Ersatzteil aus der Ersatzteilliste Ihres Snapper Gerätes aus und bestellen Sie einfach online. Viele Snapper Ersatzteile halten wir ständig in unserem Lager für Sie bereit.






