Snapper PW35000 (1662-0) - Pressure Washer 4 GPM PRESSURE WASHER PUMP Ersatzteile
PRESSURE WASHER PUMP PW35000 (1662-0) - Snapper Pressure Washer 4 GPM

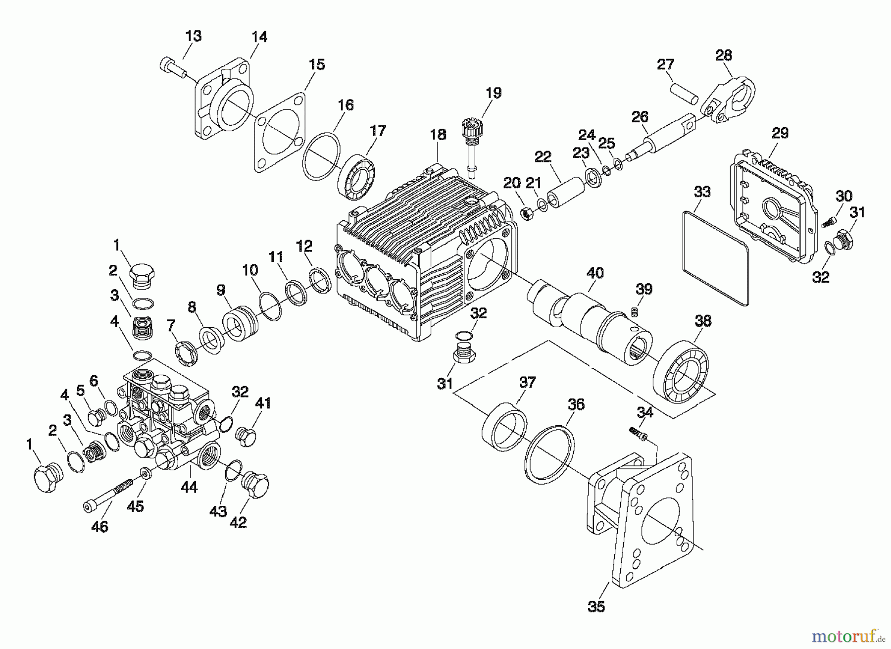
Hier finden Sie die Ersatzteilzeichnung für Snapper Hochdruckreiniger PW35000 (1662-0) - Snapper Pressure Washer 4 GPM PRESSURE WASHER PUMP. Wählen Sie das benötigte Ersatzteil aus der Ersatzteilliste Ihres Snapper Gerätes aus und bestellen Sie einfach online. Viele Snapper Ersatzteile halten wir ständig in unserem Lager für Sie bereit.



