Snapper SG5000 - Chipper/Shredder/Grinder, 5 HP General Assembly Ersatzteile
General Assembly SG5000 - Snapper Chipper/Shredder/Grinder, 5 HP

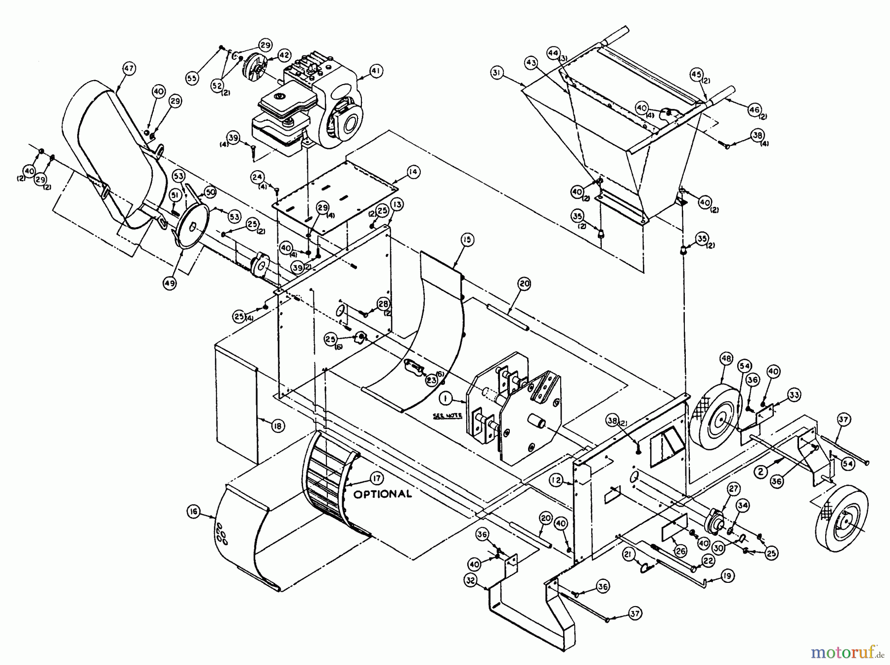
Hier finden Sie die Ersatzteilzeichnung für Snapper Sonstiges SG5000 - Snapper Chipper/Shredder/Grinder, 5 HP General Assembly. Wählen Sie das benötigte Ersatzteil aus der Ersatzteilliste Ihres Snapper Gerätes aus und bestellen Sie einfach online. Viele Snapper Ersatzteile halten wir ständig in unserem Lager für Sie bereit.
| BildNr | Artikel Nummer | Bezeichnung | |
| 1 | BS40811 | ||
| 2 | BS40911 | ||
| 12 | BS40812 | ||
| 13 | BS40813 | ||
| 14 | BS40814 | ||
| 15 | BS40815 | ||
| 16 | BS40816 | ||
| 17 | BS40817 | ||
| 18 | BS40818 | ||
| 19 | BS40819 | ||
| 20 | BS40820 | ||
| 21 | BS7011773 | ||
| 22 | BS40854 | ||
| 23 | BS7090627YP | HHCS, 5/16C X1-1/4 GR | |
| 24 | BS7076934YP | (C) HHCS, 5/16C X3/4 | |
| 25 | BS7090194 | ||
| 26 | BS40809 | ||
| 27 | BS40821 | ||
| 28 | BS703585 | CAPSCREW, 5/16-18X1 | |
| 29 | BS7090692YP | FW, 5/16 X 7/8 X .083 | |
| 30 | BS40651 | ||
| 31 | BS40822 | ||
| 32 | BS40823 | ||
| 33 | BS40909 | ||
| 34 | BS40825 | ||
| 35 | BS40799 | ||
| 36 | BS7076934 | ||
| 37 | BS40854 | ||
| 38 | BS7090627 | ||
| 39 | BS7091540YP | SECHSK.SCHRAUBE, 5/16-18 | |
| 40 | BS7090194 | ||
| 41 | BS | Eingangswelle UE 600 | |
| 42 | BS40887 | ||
| 43 | BS40828 | ||
| 44 | BS40801 | ||
| 45 | BS40829 | ||
| 46 | BS40800 | ||
| 47 | BS40798 | ||
| 48 | BS40830 | ||
| 49 | BS40831 | ||
| 50 | BS40832 | ||
| 51 | BS5050407X8SM | ||
| 52 | BS7090187SM | SLW, .318X.583X.078 Z | |
| 53 | BS7090201SM | HRSS, 5/16C X5/16 | |
| 54 | BS7091809YP | PIN, COTTER 1/8 X 1.2 | |
| 55 | BS7090233YP | HHCS, 5/16F X3/4 GR5 | |



