Snapper K55 - Tuff Torq Hydrostatic Transaxle Range Shift Assembly Ersatzteile
Range Shift Assembly K55 - Snapper Tuff Torq Hydrostatic Transaxle

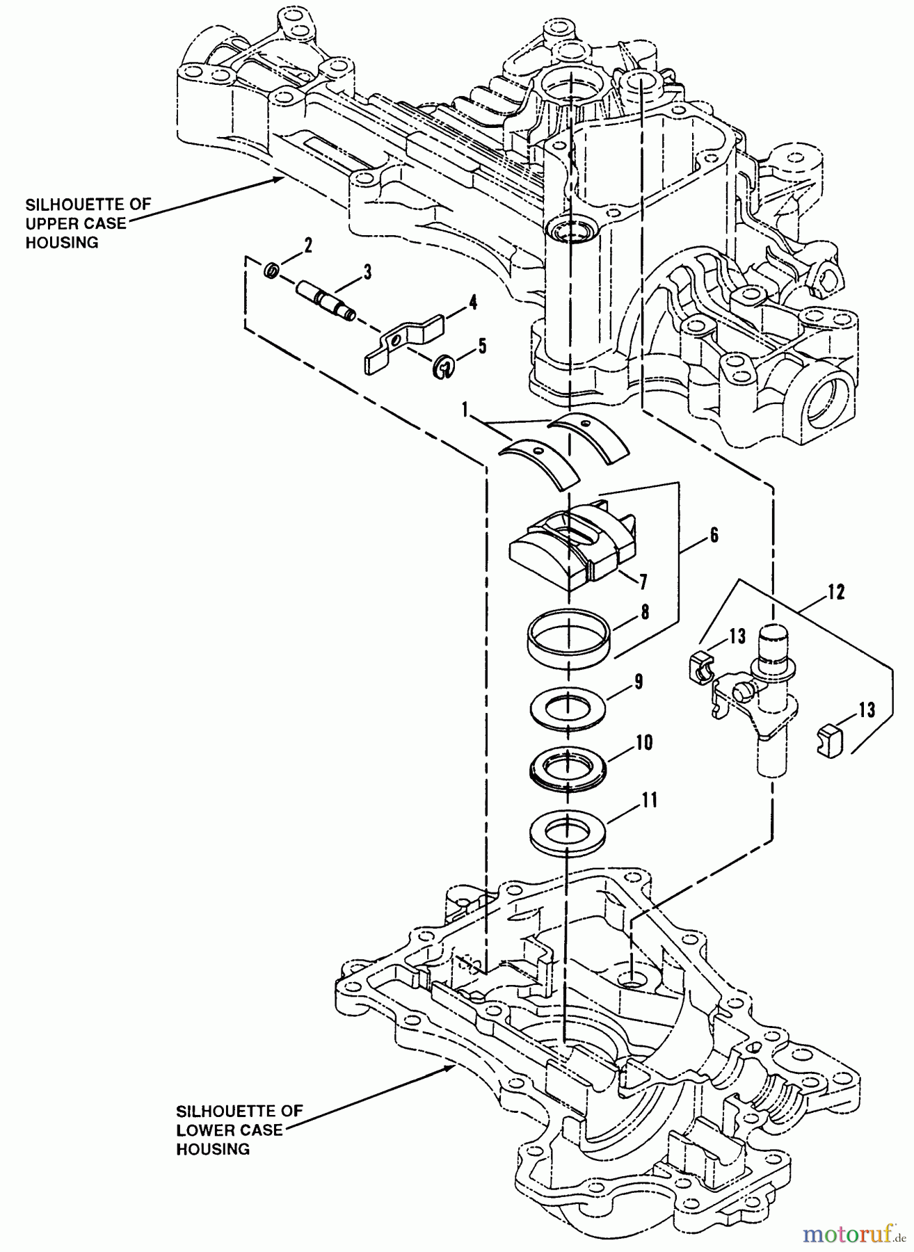
Hier finden Sie die Ersatzteilzeichnung für Snapper Sonstiges K55 - Snapper Tuff Torq Hydrostatic Transaxle Range Shift Assembly. Wählen Sie das benötigte Ersatzteil aus der Ersatzteilliste Ihres Snapper Gerätes aus und bestellen Sie einfach online. Viele Snapper Ersatzteile halten wir ständig in unserem Lager für Sie bereit.



