Snapper K55 - Tuff Torq Hydrostatic Transaxle Motor Shaft Assembly Ersatzteile
Motor Shaft Assembly K55 - Snapper Tuff Torq Hydrostatic Transaxle

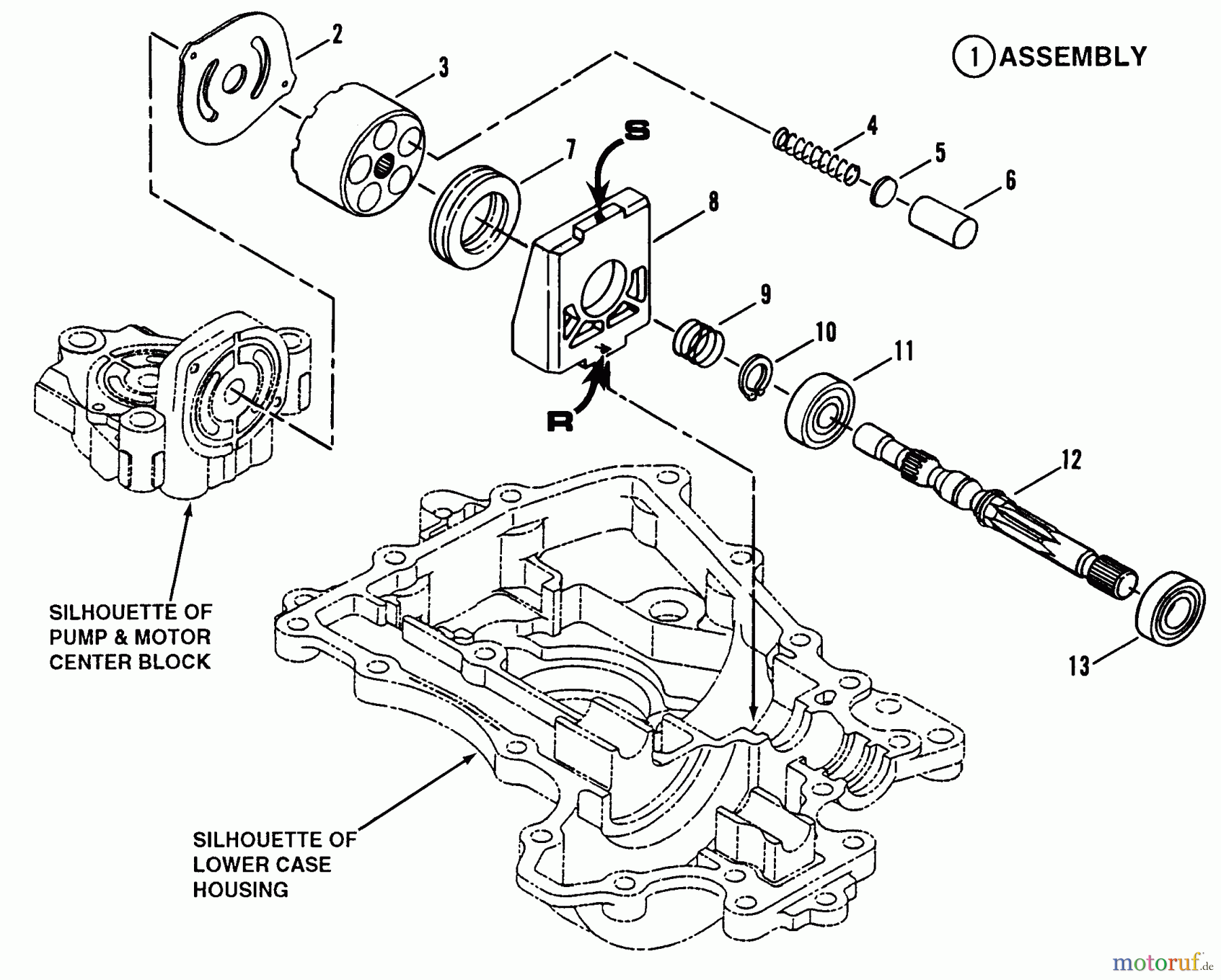
Hier finden Sie die Ersatzteilzeichnung für Snapper Sonstiges K55 - Snapper Tuff Torq Hydrostatic Transaxle Motor Shaft Assembly. Wählen Sie das benötigte Ersatzteil aus der Ersatzteilliste Ihres Snapper Gerätes aus und bestellen Sie einfach online. Viele Snapper Ersatzteile halten wir ständig in unserem Lager für Sie bereit.
| BildNr | Artikel Nummer | Bezeichnung | |
| 1 | BS7091462YP | CYLINDER BLOCK - 192 | |
| 2 | BS2 | ||
| ?2A | BS2 | ||
| 3 | BS2 | ||
| 4 | BS5 | ||
| 5 | BS5 | ||
| 6 | BS5 | ||
| 7 | BS7073777YP | (TT) BEARING, 51106 | |
| 8 | BS7091460YP | HOUSING | |
| 9 | BS7091463 | ||
| 10 | BS7091458YP | (TT) RING 15 | |
| 11 | BS7091465YP | BALL BEARING 6002 | |
| 12 | BS7091464YP | MOTOR SHAFT K50 | |
| ?12A | BS7091464 | ||
| 13 | BS7091466 | ||


Qualitätsmanagement
Informieren Sie uns, wenn Sie einen Fehler gefunden haben.

