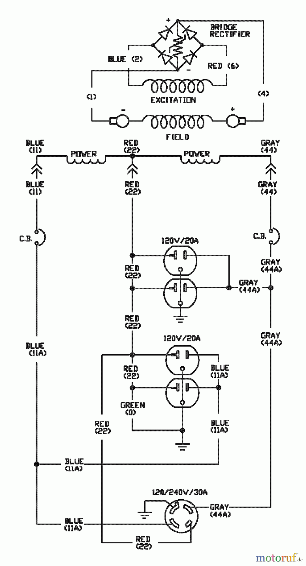
Snapper G55000 (1668-0) - 5500 Watt Generator, 10 HP GENERATOR SCHEMATIC Ersatzteile
GENERATOR SCHEMATIC G55000 (1668-0) - Snapper 5500 Watt Generator, 10 HP

Hier finden Sie die Ersatzteilzeichnung für Snapper Sonstiges G55000 (1668-0) - Snapper 5500 Watt Generator, 10 HP GENERATOR SCHEMATIC. Wählen Sie das benötigte Ersatzteil aus der Ersatzteilliste Ihres Snapper Gerätes aus und bestellen Sie einfach online. Viele Snapper Ersatzteile halten wir ständig in unserem Lager für Sie bereit.
| BildNr | Artikel Nummer | Bezeichnung | |
| -- | BSN.A. | ||


Qualitätsmanagement
Informieren Sie uns, wenn Sie einen Fehler gefunden haben.

