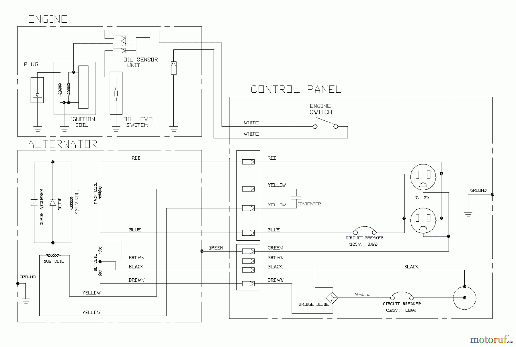
Snapper G10000 (1666-0) - 1000 Watt Portable Generator, 2.5 HP GENERATOR WIRING DIAGRAM Ersatzteile
GENERATOR WIRING DIAGRAM G10000 (1666-0) - Snapper 1000 Watt Portable Generator, 2.5 HP

Hier finden Sie die Ersatzteilzeichnung für Snapper Sonstiges G10000 (1666-0) - Snapper 1000 Watt Portable Generator, 2.5 HP GENERATOR WIRING DIAGRAM. Wählen Sie das benötigte Ersatzteil aus der Ersatzteilliste Ihres Snapper Gerätes aus und bestellen Sie einfach online. Viele Snapper Ersatzteile halten wir ständig in unserem Lager für Sie bereit.
| BildNr | Artikel Nummer | Bezeichnung | |
| -- | BSN.A. | ||


