Snapper 7060377 - 48" Snowthrower Attachment, MF Series Drive, Gear Box Parts Ersatzteile
Drive, Gear Box Parts 7060377 - Snapper 48" Snowthrower Attachment, MF Series

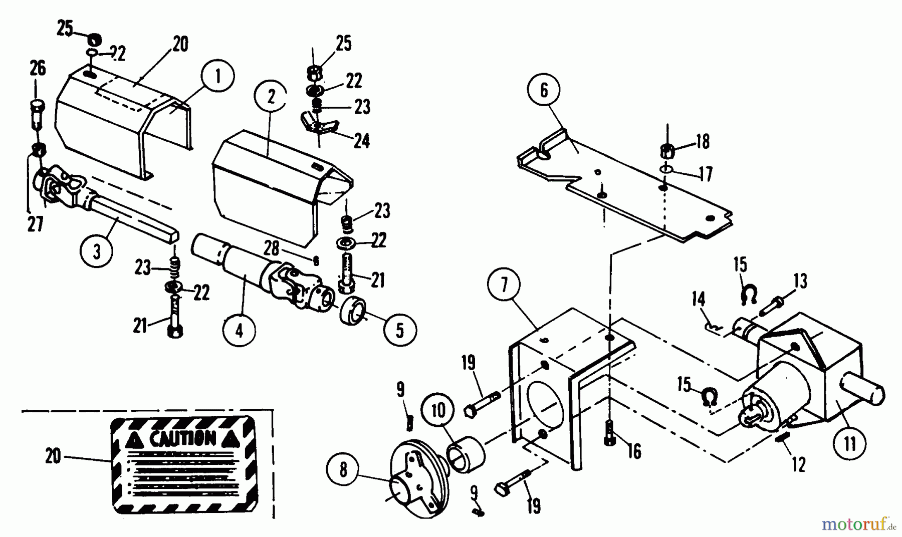
Hier finden Sie die Ersatzteilzeichnung für Snapper Sonstiges 7060377 - Snapper 48" Snowthrower Attachment, MF Series Drive, Gear Box Parts. Wählen Sie das benötigte Ersatzteil aus der Ersatzteilliste Ihres Snapper Gerätes aus und bestellen Sie einfach online. Viele Snapper Ersatzteile halten wir ständig in unserem Lager für Sie bereit.
| BildNr | Artikel Nummer | Bezeichnung | |
| 1 | BS13516 | ||
| 2 | BS13517 | ||
| 3 | BS18457 | ||
| 4 | BS13514 | ||
| 5 | BS13796 | ||
| 6 | BS18458 | ||
| 7 | BS18459 | ||
| 8 | BS14088 | ||
| 9 | BS7090954YP | HRSS, 5/16C X5/16 | |
| 10 | BS13795 | ||
| 11 | BS7018456 | ||
| 12 | BS7010061SM | ||
| 13 | BS14093 | ||
| 14 | BS7013778 | ||
| 15 | BS13792 | ||
| 16 | BS7091304SM | SECHSK.SCHRAUBE, 3/8C X1 GR5 Y | |
| 17 | BS703454 | LOCKWASHER, SPLIT 3/8 | |
| 18 | BS7091302SM | HN, 3/8C GR5 YZ | |
| 19 | BS90556 | ||
| 20 | BS13383 | ||
| 21 | BS13527 | ||
| 22 | BS703878 | WASHER, FLAT | |
| 23 | BS12983 | ||
| 24 | BS13518 | ||
| 25 | BS703347 | MUTTER, 3/8-16 | |
| 26 | BS13358 | ||
| 27 | BS703954 | ||
| 28 | BS13437 | ||


Qualitätsmanagement
Informieren Sie uns, wenn Sie einen Fehler gefunden haben.

