Snapper 7060373 - 36" Rear PTO Tiller Attachment, MF Series Frame, Shroud Ersatzteile
Frame, Shroud 7060373 - Snapper 36" Rear PTO Tiller Attachment, MF Series

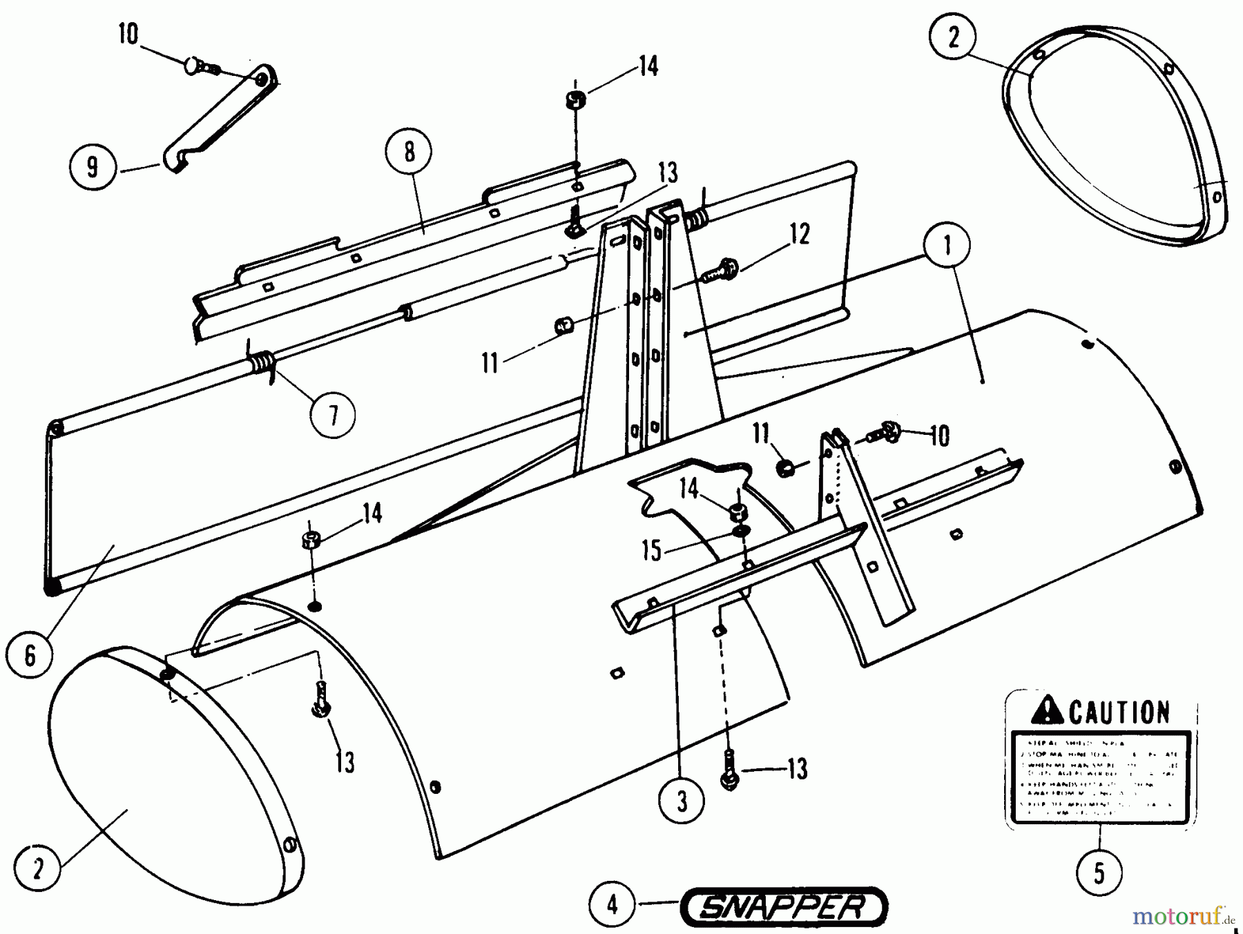
Hier finden Sie die Ersatzteilzeichnung für Snapper Sonstiges 7060373 - Snapper 36" Rear PTO Tiller Attachment, MF Series Frame, Shroud. Wählen Sie das benötigte Ersatzteil aus der Ersatzteilliste Ihres Snapper Gerätes aus und bestellen Sie einfach online. Viele Snapper Ersatzteile halten wir ständig in unserem Lager für Sie bereit.
| BildNr | Artikel Nummer | Bezeichnung | |
| 1 | BS7013799 | ||
| 2 | BS7013095 | ||
| 3 | BS7013798 | ||
| 4 | BS7019668YP | DECAL, REAR FENDER | |
| 5 | BS7018443 | ||
| 6 | BS7013199 | ||
| 7 | BS7013955 | ||
| 8 | BS7013094 | ||
| 9 | BS7013801 | ||
| 10 | BS7090496YP | RHSSNB, 1/4C X1 GR5 Z | |
| 11 | BS7091705SM | HTLN, 1/4C GR.B YZ | |
| 12 | BS1931317SM | BOLT - RD HD | |
| 13 | BS703798 | BOLT, 5/16-18X0.50 | |
| 14 | BS7090194 | ||
| 15 | BS7090692YP | FW, 5/16 X 7/8 X .083 | |



