Snapper ZU2014K (80455) - 20 HP Zero-Turn Mower, Twin Stick, Unistat Drive, ZTR Series 4 Unistat Transmission Ersatzteile
Unistat Transmission ZU2014K (80455) - Snapper 20 HP Zero-Turn Mower, Twin Stick, Unistat Drive, ZTR Series 4

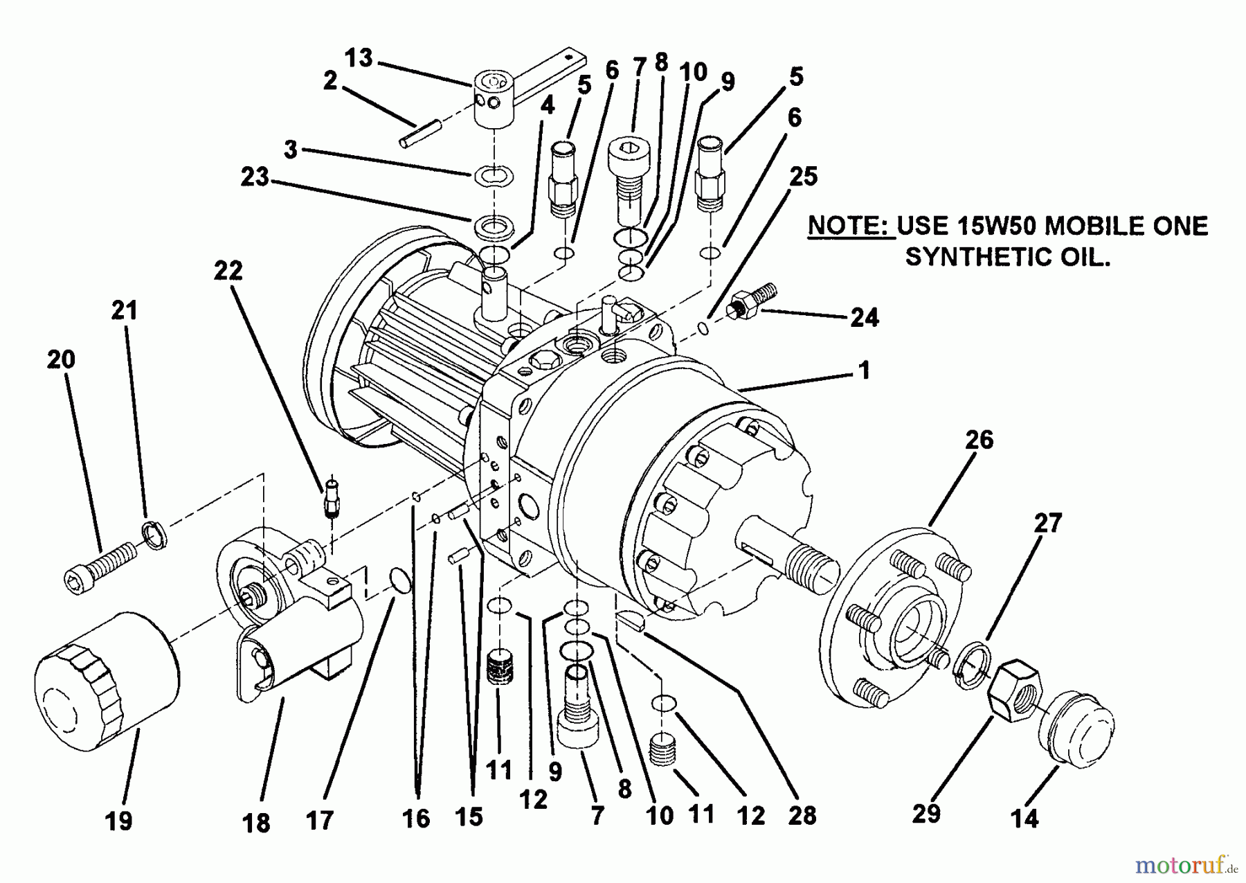
Hier finden Sie die Ersatzteilzeichnung für Snapper Nullwendekreismäher, Zero-Turn ZU2014K (80455) - Snapper 20 HP Zero-Turn Mower, Twin Stick, Unistat Drive, ZTR Series 4 Unistat Transmission. Wählen Sie das benötigte Ersatzteil aus der Ersatzteilliste Ihres Snapper Gerätes aus und bestellen Sie einfach online. Viele Snapper Ersatzteile halten wir ständig in unserem Lager für Sie bereit.



