Snapper ZU2003K (80165) - 20 HP Zero-Turn Mower, Twin Stick, Unistat Drive, ZTR Series 3 Transmission Assembly Parts, ZU2013K Ersatzteile
Transmission Assembly Parts, ZU2013K ZU2003K (80165) - Snapper 20 HP Zero-Turn Mower, Twin Stick, Unistat Drive, ZTR Series 3

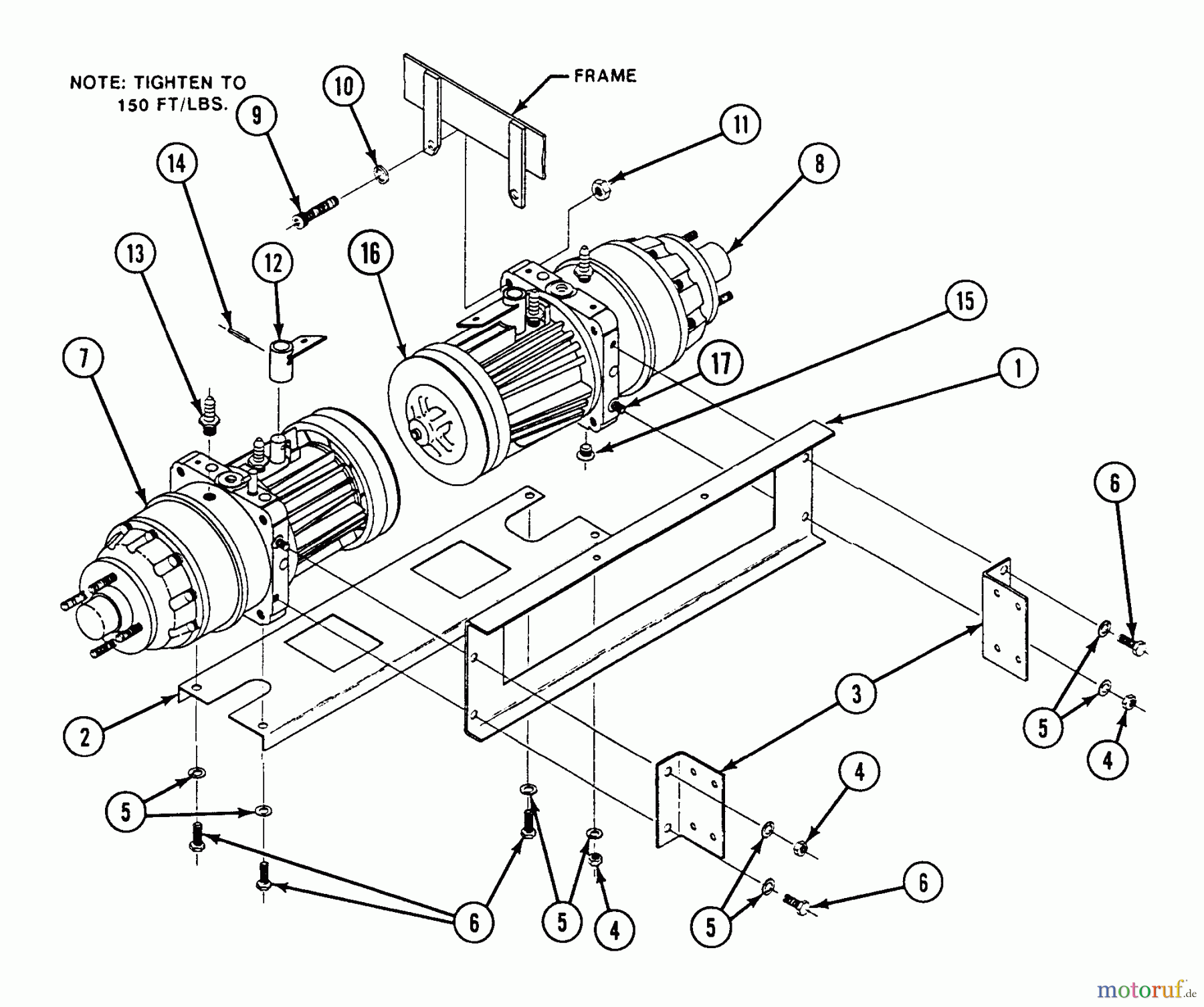
Hier finden Sie die Ersatzteilzeichnung für Snapper Nullwendekreismäher, Zero-Turn ZU2003K (80165) - Snapper 20 HP Zero-Turn Mower, Twin Stick, Unistat Drive, ZTR Series 3 Transmission Assembly Parts, ZU2013K. Wählen Sie das benötigte Ersatzteil aus der Ersatzteilliste Ihres Snapper Gerätes aus und bestellen Sie einfach online. Viele Snapper Ersatzteile halten wir ständig in unserem Lager für Sie bereit.
| BildNr | Artikel Nummer | Bezeichnung | |
| 1 | BS7062140 | ||
| 2 | BS7079992 | ||
| 3 | BS7062229 | ||
| 4 | BS7091316YP | HN, 1/2C GR.B YZ | |
| 5 | BS5025331SM | LOCKWASHER, 1/2 | |
| 6 | BS7062038 | ||
| 7 | BS7062205 | ||
| 8 | BS7062206 | ||
| 9 | BS7079951 | ||
| 10 | BS7079943 | ||
| 11 | BS7062017 | ||
| 12 | BS7062100 | ||
| 12 | BS7062101YP | (C) SHIFT BLOCK WELD, | |
| 13 | BS7079965 | ||
| 14 | BS7079364YP | (C) PIN, SPIROL, 5/16 | |
| 15 | BS7062180 | ||
| 16 | BS608-305P | ||
| 17 | BS608-276A | ||


Qualitätsmanagement
Informieren Sie uns, wenn Sie einen Fehler gefunden haben.

