Snapper ZU1803K (80166) - 18 HP Zero-Turn Mower, Twin Stick, Unistat Drive, ZTR Series 3 Transmission Assembly Parts, 1810 & 2010 Ersatzteile
Transmission Assembly Parts, 1810 & 2010 ZU1803K (80166) - Snapper 18 HP Zero-Turn Mower, Twin Stick, Unistat Drive, ZTR Series 3

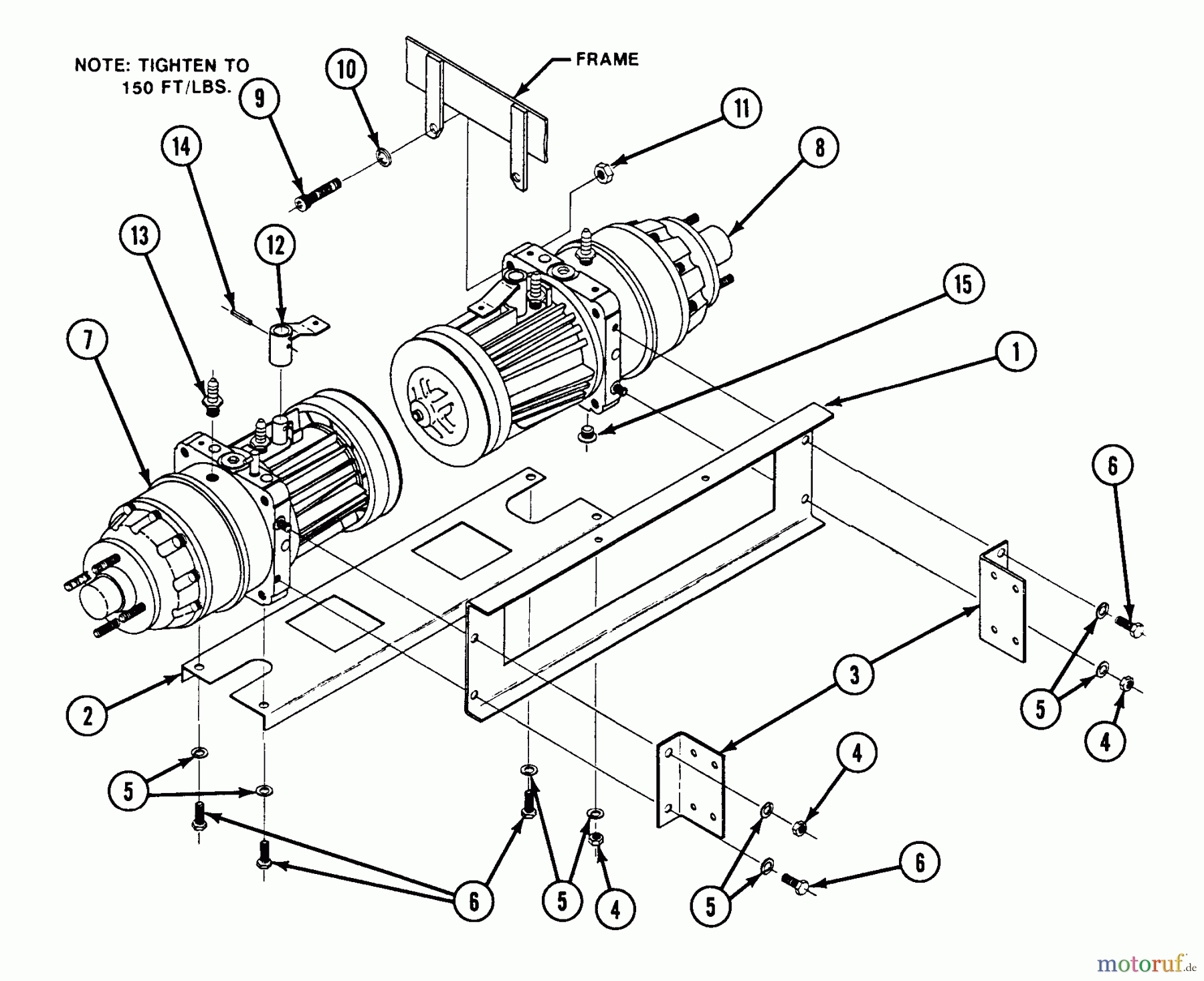
Hier finden Sie die Ersatzteilzeichnung für Snapper Nullwendekreismäher, Zero-Turn ZU1803K (80166) - Snapper 18 HP Zero-Turn Mower, Twin Stick, Unistat Drive, ZTR Series 3 Transmission Assembly Parts, 1810 & 2010. Wählen Sie das benötigte Ersatzteil aus der Ersatzteilliste Ihres Snapper Gerätes aus und bestellen Sie einfach online. Viele Snapper Ersatzteile halten wir ständig in unserem Lager für Sie bereit.
| BildNr | Artikel Nummer | Bezeichnung | |
| 1 | BS7079991 | ||
| 2 | BS7079992 | ||
| 3 | BS7079993 | ||
| 4 | BS7091316YP | HN, 1/2C GR.B YZ | |
| 5 | BS5025331SM | LOCKWASHER, 1/2 | |
| 6 | BS7062038 | ||
| 7 | BS7062169 | ||
| 8 | BS7062170 | ||
| 9 | BS7079951 | ||
| 10 | BS7079943 | ||
| 11 | BS7062017 | ||
| 12 | BS7079994 | ||
| 12 | BS7079995 | ||
| 13 | BS7079965 | ||
| 14 | BS7079364YP | (C) PIN, SPIROL, 5/16 | |
| 15 | BS7062180 | ||



