Snapper ZT20500BV (5091001) - 50" Zero-Turn Mower, 20 HP, ZTR FastCut Series 0 44" & 50" Mower Deck - Housing, Arbors & Blades Group Ersatzteile
44" & 50" Mower Deck - Housing, Arbors & Blades Group ZT20500BV (5091001) - Snapper 50" Zero-Turn Mower, 20 HP, ZTR FastCut Series 0

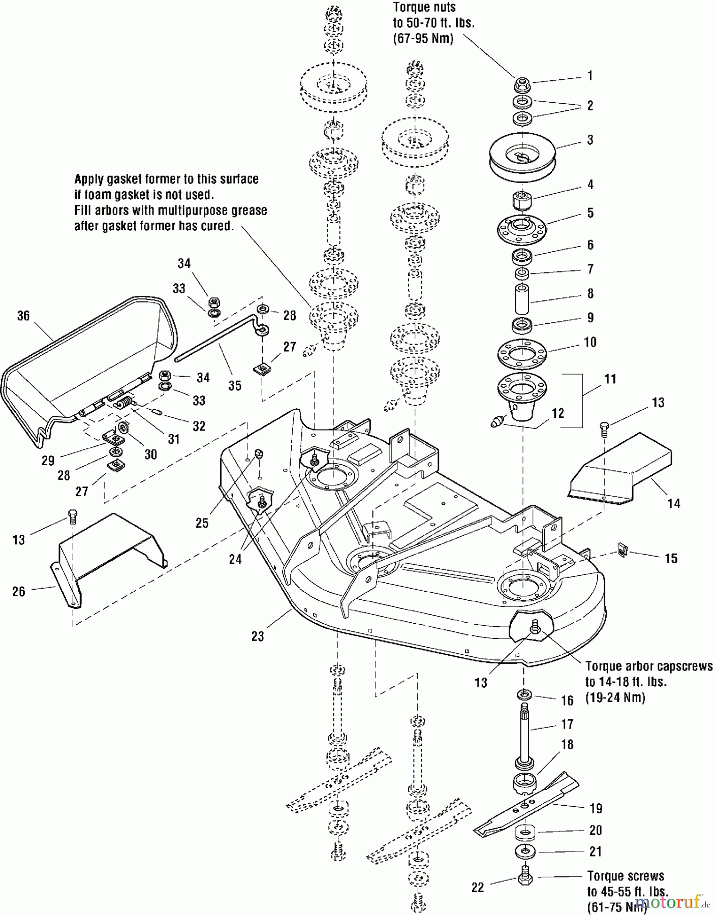
Hier finden Sie die Ersatzteilzeichnung für Snapper Nullwendekreismäher, Zero-Turn ZT20500BV (5091001) - Snapper 50" Zero-Turn Mower, 20 HP, ZTR FastCut Series 0 44" & 50" Mower Deck - Housing, Arbors & Blades Group. Wählen Sie das benötigte Ersatzteil aus der Ersatzteilliste Ihres Snapper Gerätes aus und bestellen Sie einfach online. Viele Snapper Ersatzteile halten wir ständig in unserem Lager für Sie bereit.





