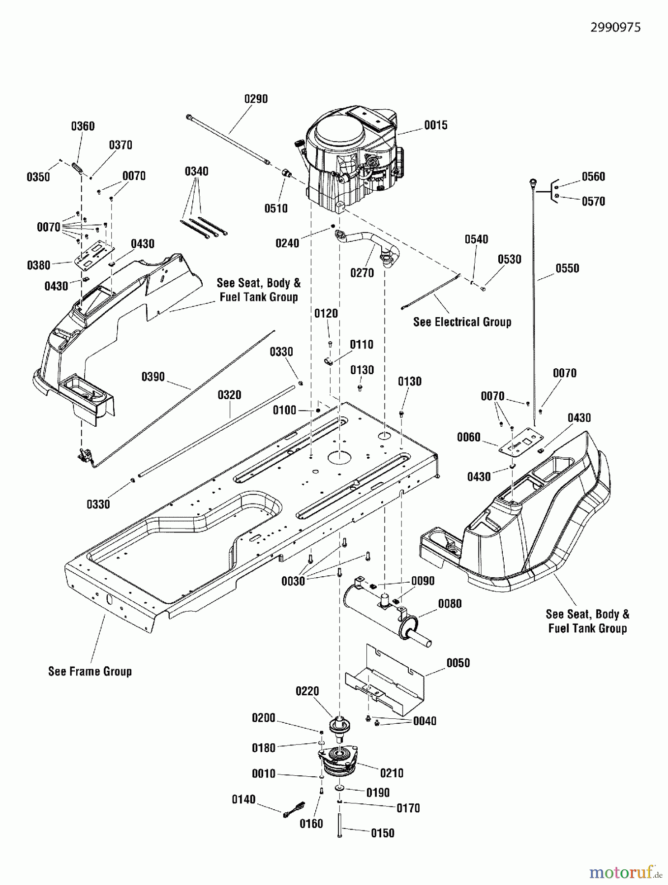
Snapper ZT1842 (2691136-00) - 42" Zero-Turn Mower, 18 HP, ZT Twin Stick Rider 200Z Series Engine Group Ersatzteile
Engine Group ZT1842 (2691136-00) - Snapper 42" Zero-Turn Mower, 18 HP, ZT Twin Stick Rider 200Z Series

Hier finden Sie die Ersatzteilzeichnung für Snapper Nullwendekreismäher, Zero-Turn ZT1842 (2691136-00) - Snapper 42" Zero-Turn Mower, 18 HP, ZT Twin Stick Rider 200Z Series Engine Group. Wählen Sie das benötigte Ersatzteil aus der Ersatzteilliste Ihres Snapper Gerätes aus und bestellen Sie einfach online. Viele Snapper Ersatzteile halten wir ständig in unserem Lager für Sie bereit.


Qualitätsmanagement
Informieren Sie uns, wenn Sie einen Fehler gefunden haben.

