Snapper ZM2200KH (82473) - 22 HP Zero-Turn Mower, Kohler, Mid Mount, Z-Rider Series 0 Tandem Hydro Transaxle Assembly Ersatzteile
Tandem Hydro Transaxle Assembly ZM2200KH (82473) - Snapper 22 HP Zero-Turn Mower, Kohler, Mid Mount, Z-Rider Series 0

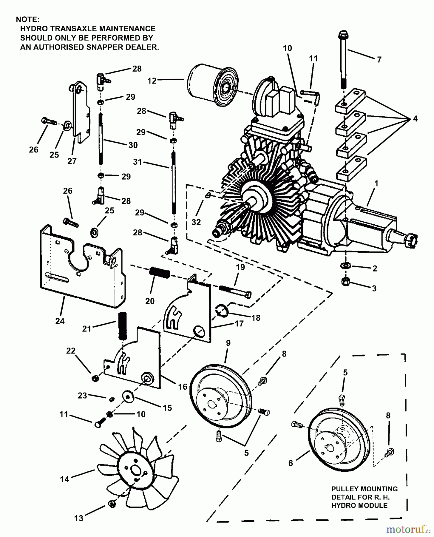
Hier finden Sie die Ersatzteilzeichnung für Snapper Nullwendekreismäher, Zero-Turn ZM2200KH (82473) - Snapper 22 HP Zero-Turn Mower, Kohler, Mid Mount, Z-Rider Series 0 Tandem Hydro Transaxle Assembly. Wählen Sie das benötigte Ersatzteil aus der Ersatzteilliste Ihres Snapper Gerätes aus und bestellen Sie einfach online. Viele Snapper Ersatzteile halten wir ständig in unserem Lager für Sie bereit.


Qualitätsmanagement
Informieren Sie uns, wenn Sie einen Fehler gefunden haben.


