Snapper ZM2200K (82473) - 22 HP Zero-Turn Mower, Kohler, Mid Mount, Z-Rider Series 0 Tandem Hydro Transaxle Assembly Ersatzteile
Tandem Hydro Transaxle Assembly ZM2200K (82473) - Snapper 22 HP Zero-Turn Mower, Kohler, Mid Mount, Z-Rider Series 0

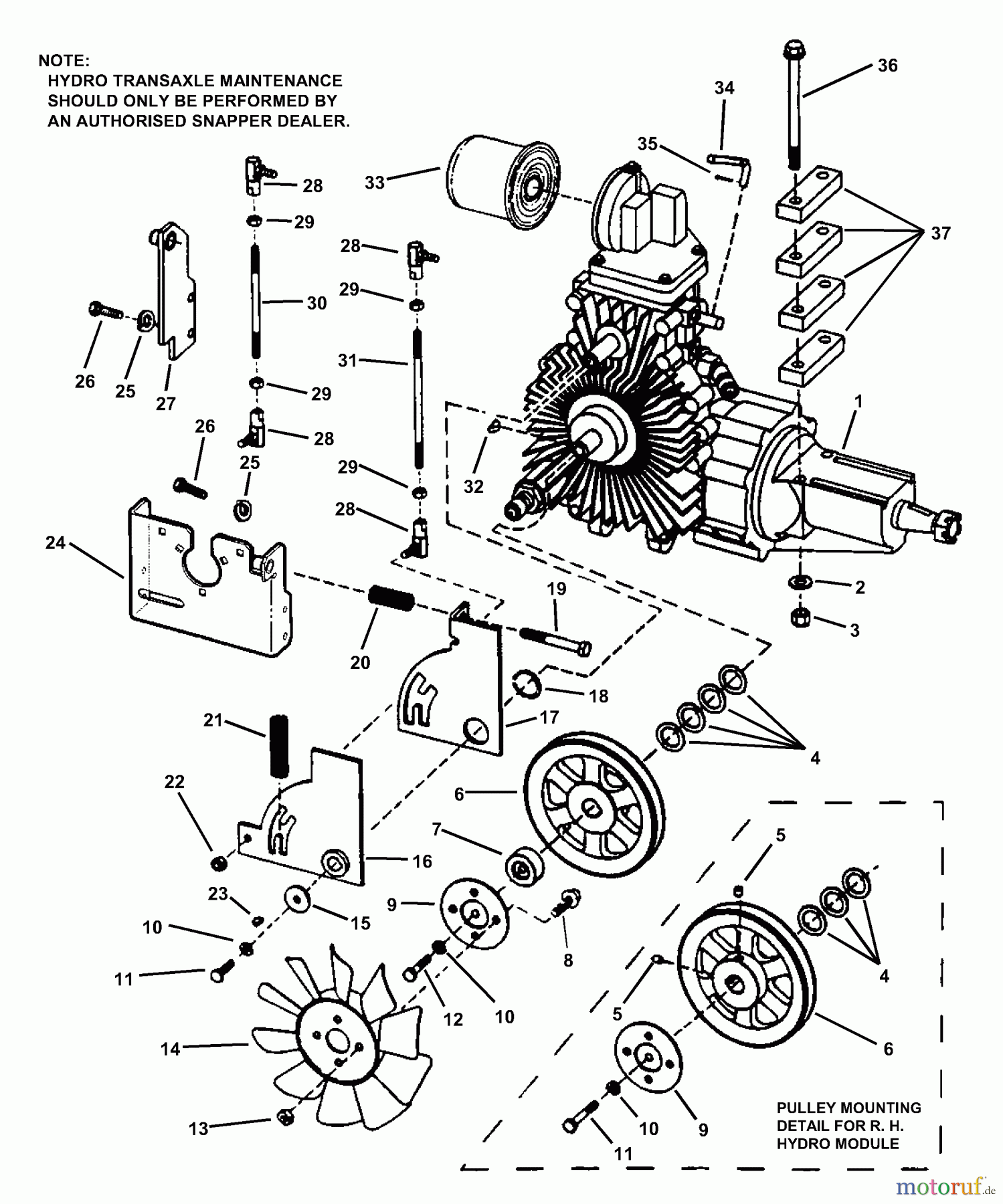
Hier finden Sie die Ersatzteilzeichnung für Snapper Nullwendekreismäher, Zero-Turn ZM2200K (82473) - Snapper 22 HP Zero-Turn Mower, Kohler, Mid Mount, Z-Rider Series 0 Tandem Hydro Transaxle Assembly. Wählen Sie das benötigte Ersatzteil aus der Ersatzteilliste Ihres Snapper Gerätes aus und bestellen Sie einfach online. Viele Snapper Ersatzteile halten wir ständig in unserem Lager für Sie bereit.





