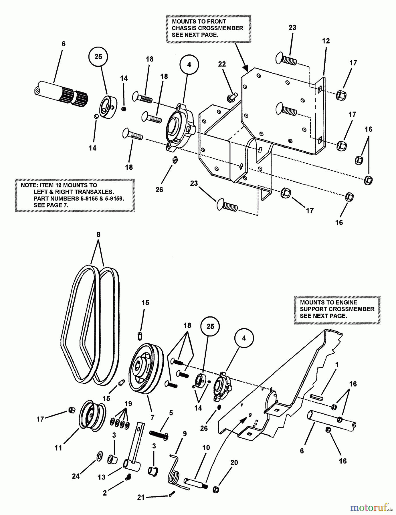
Snapper ZF2501KH (84574) - 25 HP Zero-Turn Mower, Out Front, Z-Rider Series 1 Deck Driveshaft Assembly (Part 1) Ersatzteile
Deck Driveshaft Assembly (Part 1) ZF2501KH (84574) - Snapper 25 HP Zero-Turn Mower, Out Front, Z-Rider Series 1

Hier finden Sie die Ersatzteilzeichnung für Snapper Nullwendekreismäher, Zero-Turn ZF2501KH (84574) - Snapper 25 HP Zero-Turn Mower, Out Front, Z-Rider Series 1 Deck Driveshaft Assembly (Part 1). Wählen Sie das benötigte Ersatzteil aus der Ersatzteilliste Ihres Snapper Gerätes aus und bestellen Sie einfach online. Viele Snapper Ersatzteile halten wir ständig in unserem Lager für Sie bereit.


Qualitätsmanagement
Informieren Sie uns, wenn Sie einen Fehler gefunden haben.


