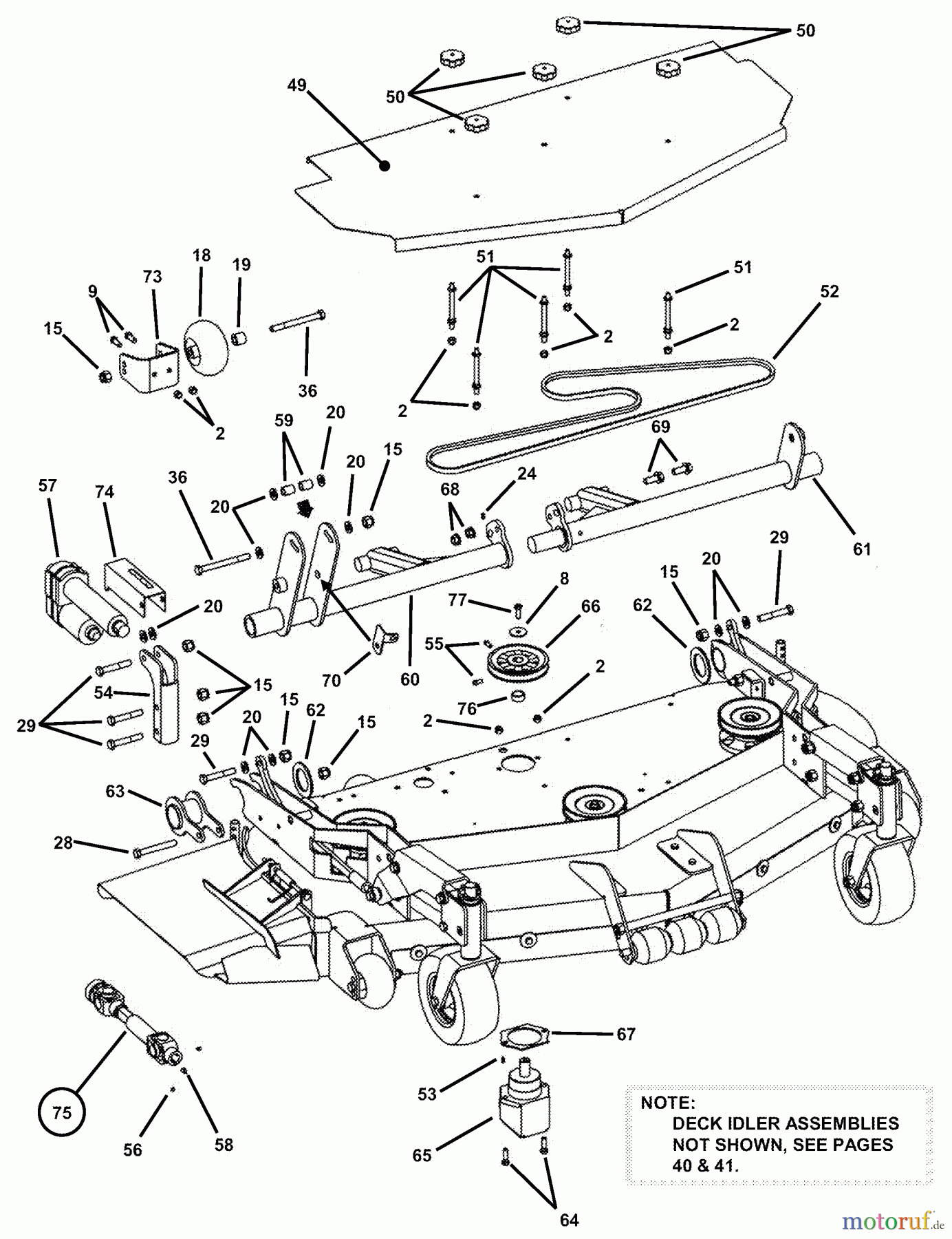
Snapper ZF2300GKU (84411) - 23 HP Zero-Turn Mower, Kubota, Out Front, Z-Rider Series 0 52" Mower Deck Assembly (Part 2) Ersatzteile
52" Mower Deck Assembly (Part 2) ZF2300GKU (84411) - Snapper 23 HP Zero-Turn Mower, Kubota, Out Front, Z-Rider Series 0

Hier finden Sie die Ersatzteilzeichnung für Snapper Nullwendekreismäher, Zero-Turn ZF2300GKU (84411) - Snapper 23 HP Zero-Turn Mower, Kubota, Out Front, Z-Rider Series 0 52" Mower Deck Assembly (Part 2). Wählen Sie das benötigte Ersatzteil aus der Ersatzteilliste Ihres Snapper Gerätes aus und bestellen Sie einfach online. Viele Snapper Ersatzteile halten wir ständig in unserem Lager für Sie bereit.


Qualitätsmanagement
Informieren Sie uns, wenn Sie einen Fehler gefunden haben.

