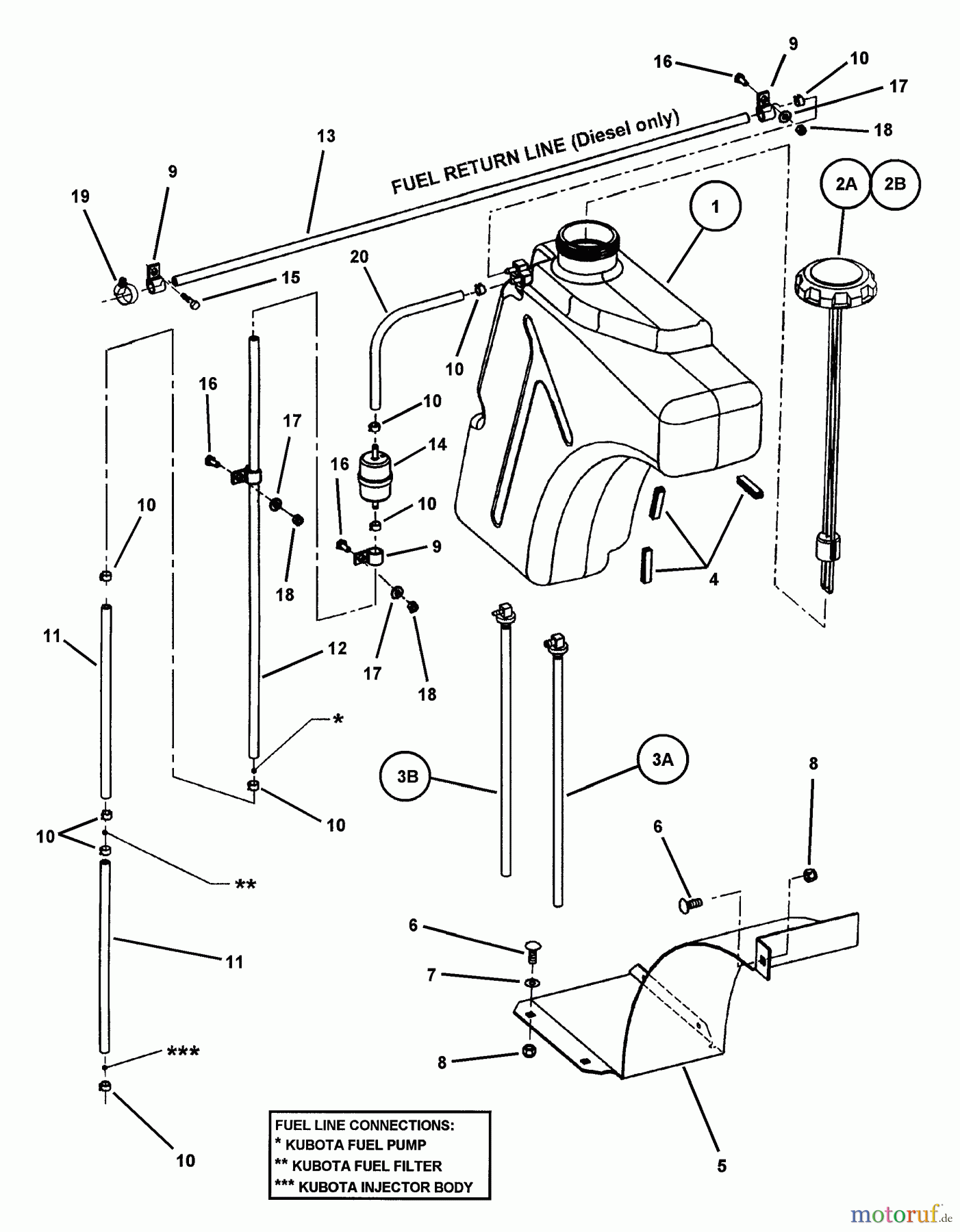
Snapper ZF2101DKU (84575) - 21 HP Zero-Turn Mower, Kubota, Out Front, Z-Rider Series 1 Fuel Tank Assembly Ersatzteile
Fuel Tank Assembly ZF2101DKU (84575) - Snapper 21 HP Zero-Turn Mower, Kubota, Out Front, Z-Rider Series 1

Hier finden Sie die Ersatzteilzeichnung für Snapper Nullwendekreismäher, Zero-Turn ZF2101DKU (84575) - Snapper 21 HP Zero-Turn Mower, Kubota, Out Front, Z-Rider Series 1 Fuel Tank Assembly. Wählen Sie das benötigte Ersatzteil aus der Ersatzteilliste Ihres Snapper Gerätes aus und bestellen Sie einfach online. Viele Snapper Ersatzteile halten wir ständig in unserem Lager für Sie bereit.


Qualitätsmanagement
Informieren Sie uns, wenn Sie einen Fehler gefunden haben.


