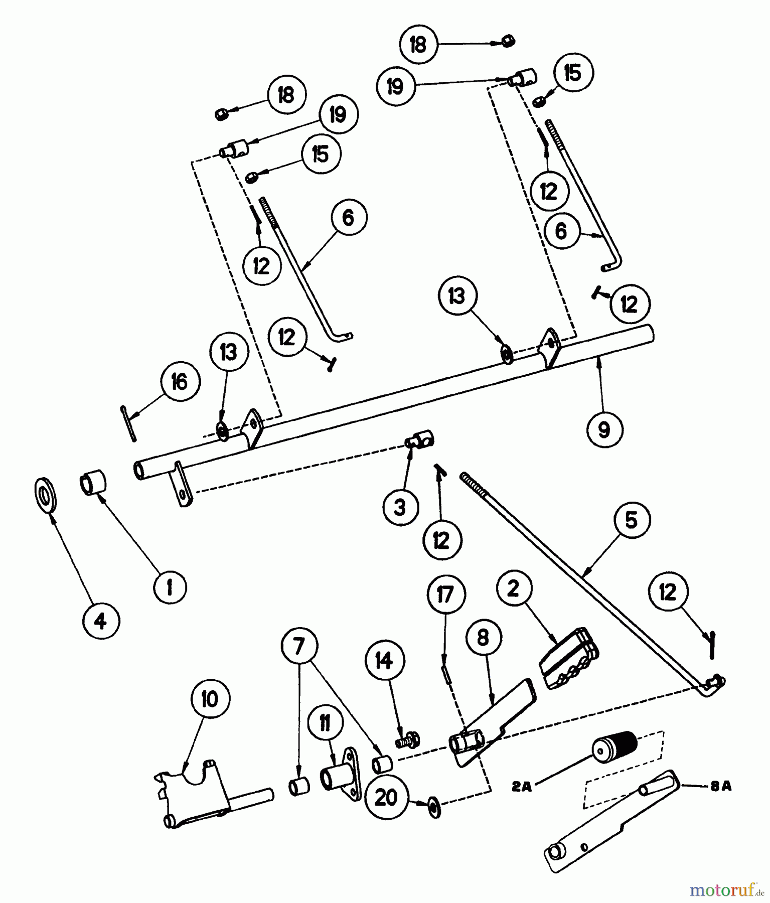
Snapper ZF2100DKU (84342) - 21 HP Zero-Turn Mower, Kubota, Out Front, Z-Rider Series 0 Parking Brake Assembly Ersatzteile
Parking Brake Assembly ZF2100DKU (84342) - Snapper 21 HP Zero-Turn Mower, Kubota, Out Front, Z-Rider Series 0

Hier finden Sie die Ersatzteilzeichnung für Snapper Nullwendekreismäher, Zero-Turn ZF2100DKU (84342) - Snapper 21 HP Zero-Turn Mower, Kubota, Out Front, Z-Rider Series 0 Parking Brake Assembly. Wählen Sie das benötigte Ersatzteil aus der Ersatzteilliste Ihres Snapper Gerätes aus und bestellen Sie einfach online. Viele Snapper Ersatzteile halten wir ständig in unserem Lager für Sie bereit.



