Snapper Z180T (82119) - 18 HP Zero-Turn Mower, Chain Drive, ZTR Series 0 42" And 48" Mower Deck Assemblies Ersatzteile
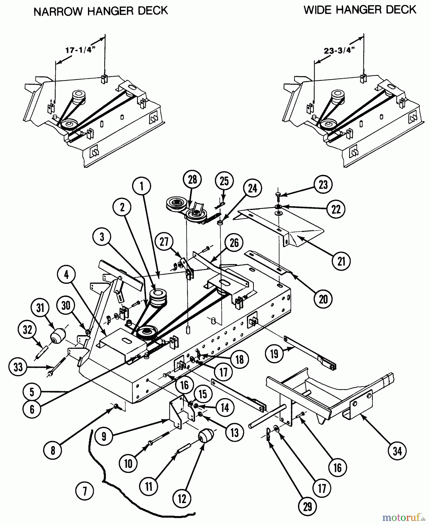
42" And 48" Mower Deck Assemblies Z180T (82119) - Snapper 18 HP Zero-Turn Mower, Chain Drive, ZTR Series 0

Hier finden Sie die Ersatzteilzeichnung für Snapper Nullwendekreismäher, Zero-Turn Z180T (82119) - Snapper 18 HP Zero-Turn Mower, Chain Drive, ZTR Series 0 42" And 48" Mower Deck Assemblies. Wählen Sie das benötigte Ersatzteil aus der Ersatzteilliste Ihres Snapper Gerätes aus und bestellen Sie einfach online. Viele Snapper Ersatzteile halten wir ständig in unserem Lager für Sie bereit.


Qualitätsmanagement
Informieren Sie uns, wenn Sie einen Fehler gefunden haben.

