Snapper Z1803K (80463) - 18 HP Zero-Turn Mower, Hydro Drive, ZTR Series 3 18 & 20 HP Engine Assembly Ersatzteile
18 & 20 HP Engine Assembly Z1803K (80463) - Snapper 18 HP Zero-Turn Mower, Hydro Drive, ZTR Series 3

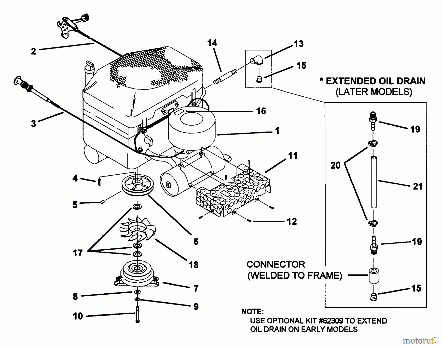
Hier finden Sie die Ersatzteilzeichnung für Snapper Nullwendekreismäher, Zero-Turn Z1803K (80463) - Snapper 18 HP Zero-Turn Mower, Hydro Drive, ZTR Series 3 18 & 20 HP Engine Assembly. Wählen Sie das benötigte Ersatzteil aus der Ersatzteilliste Ihres Snapper Gerätes aus und bestellen Sie einfach online. Viele Snapper Ersatzteile halten wir ständig in unserem Lager für Sie bereit.


Qualitätsmanagement
 Informieren Sie uns, wenn Sie einen Fehler gefunden haben.

