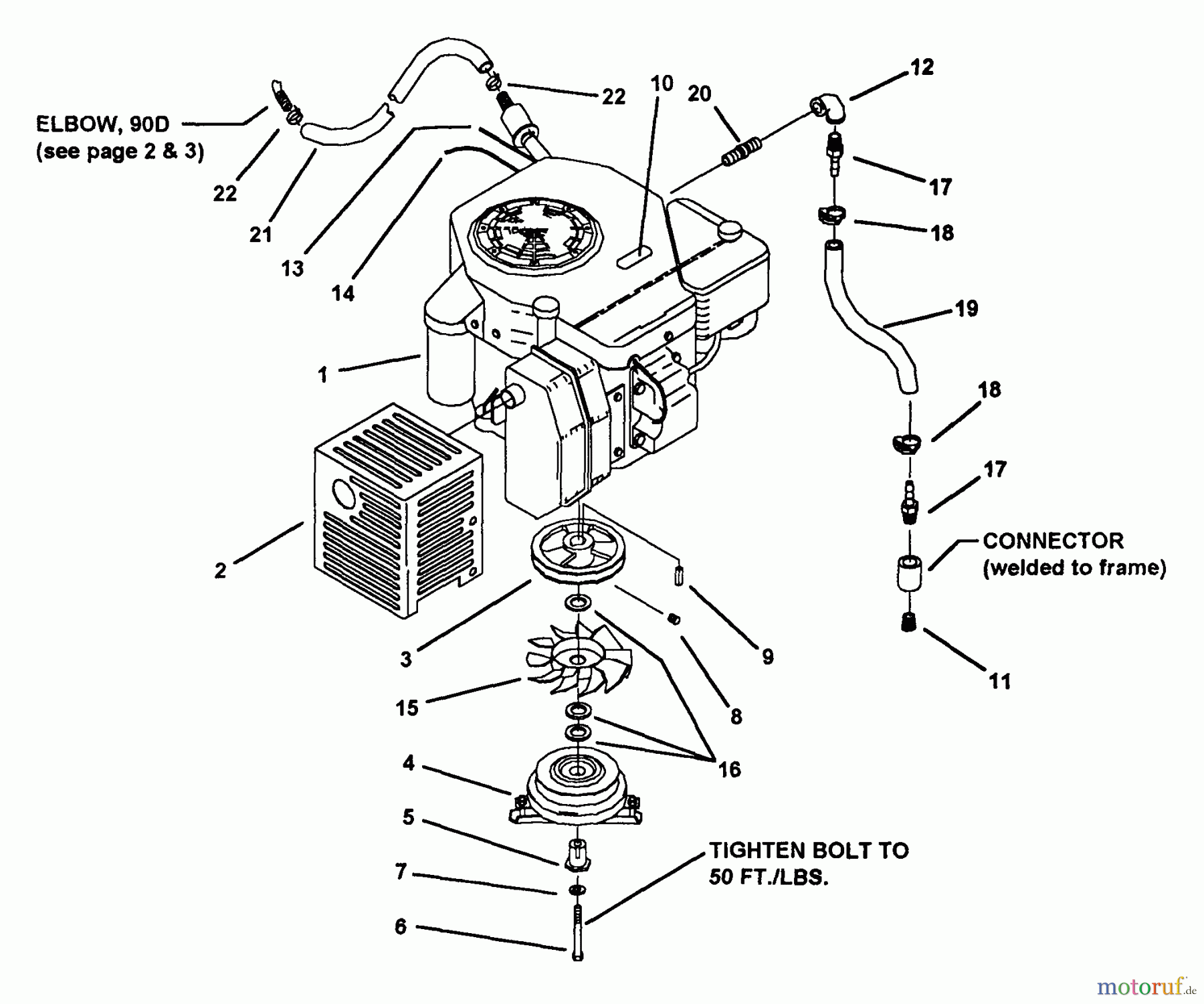
Snapper Z1404K (80722) - 14 HP Zero-Turn Mower, Hydro Drive, ZTR Series 4 14 H.P. Engine Assembly Ersatzteile
14 H.P. Engine Assembly Z1404K (80722) - Snapper 14 HP Zero-Turn Mower, Hydro Drive, ZTR Series 4

Hier finden Sie die Ersatzteilzeichnung für Snapper Nullwendekreismäher, Zero-Turn Z1404K (80722) - Snapper 14 HP Zero-Turn Mower, Hydro Drive, ZTR Series 4 14 H.P. Engine Assembly. Wählen Sie das benötigte Ersatzteil aus der Ersatzteilliste Ihres Snapper Gerätes aus und bestellen Sie einfach online. Viele Snapper Ersatzteile halten wir ständig in unserem Lager für Sie bereit.



