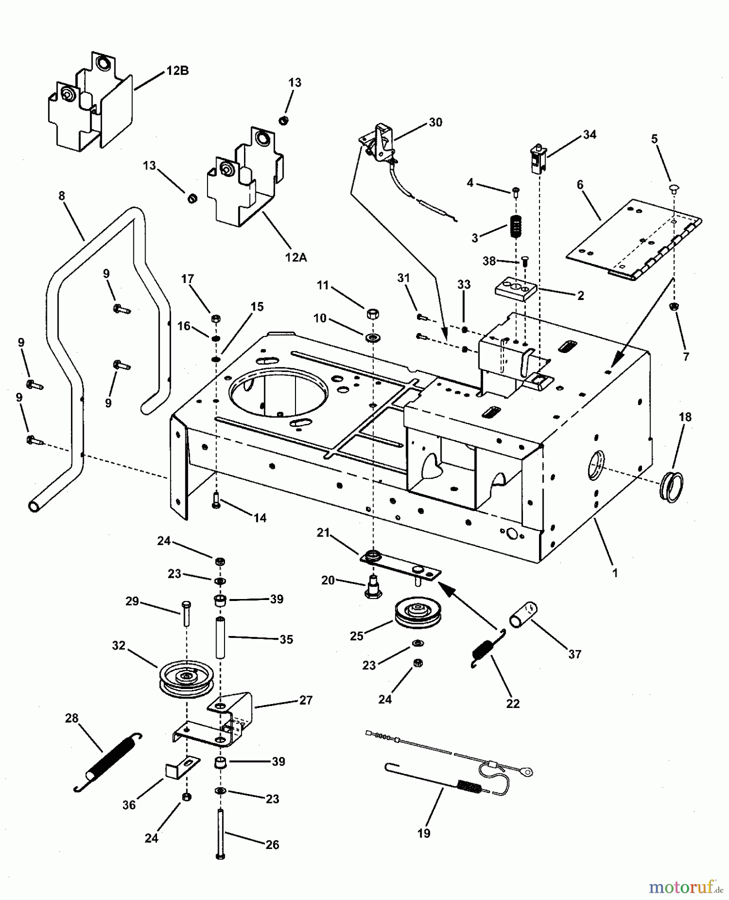
Snapper YZ18425BVE (84944) - 42" Zero-Turn Mower, 18 HP, ZTR Scrambler, Series 5 REAR FRAME ASSEMBLY Ersatzteile
REAR FRAME ASSEMBLY YZ18425BVE (84944) - Snapper 42" Zero-Turn Mower, 18 HP, ZTR Scrambler, Series 5

Hier finden Sie die Ersatzteilzeichnung für Snapper Nullwendekreismäher, Zero-Turn YZ18425BVE (84944) - Snapper 42" Zero-Turn Mower, 18 HP, ZTR Scrambler, Series 5 REAR FRAME ASSEMBLY. Wählen Sie das benötigte Ersatzteil aus der Ersatzteilliste Ihres Snapper Gerätes aus und bestellen Sie einfach online. Viele Snapper Ersatzteile halten wir ständig in unserem Lager für Sie bereit.


Qualitätsmanagement
Informieren Sie uns, wenn Sie einen Fehler gefunden haben.



