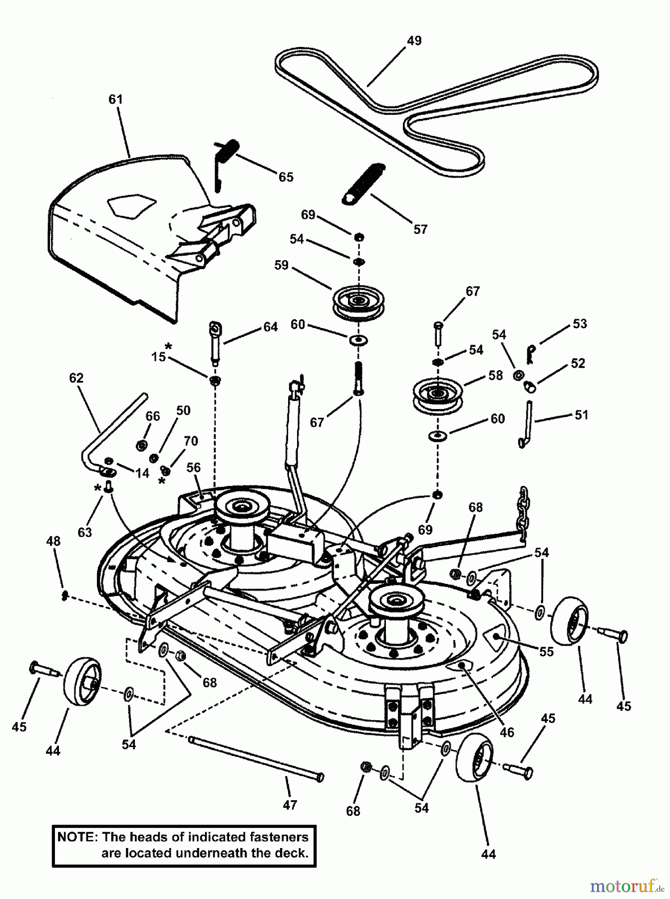
Snapper YZ18386BVE (85694) - 38" Zero-Turn Mower, 18 HP, ZTR Scrambler, Series 6 38" MOWER DECK ASSEMBLY (Part 3) Ersatzteile
38" MOWER DECK ASSEMBLY (Part 3) YZ18386BVE (85694) - Snapper 38" Zero-Turn Mower, 18 HP, ZTR Scrambler, Series 6

Hier finden Sie die Ersatzteilzeichnung für Snapper Nullwendekreismäher, Zero-Turn YZ18386BVE (85694) - Snapper 38" Zero-Turn Mower, 18 HP, ZTR Scrambler, Series 6 38" MOWER DECK ASSEMBLY (Part 3). Wählen Sie das benötigte Ersatzteil aus der Ersatzteilliste Ihres Snapper Gerätes aus und bestellen Sie einfach online. Viele Snapper Ersatzteile halten wir ständig in unserem Lager für Sie bereit.




