Snapper YZ16335BVE (84946) - 33" Zero-Turn Mower, 16 HP, ZTR Scrambler, Series 5 ENGINE COMPONENTS Ersatzteile
ENGINE COMPONENTS YZ16335BVE (84946) - Snapper 33" Zero-Turn Mower, 16 HP, ZTR Scrambler, Series 5

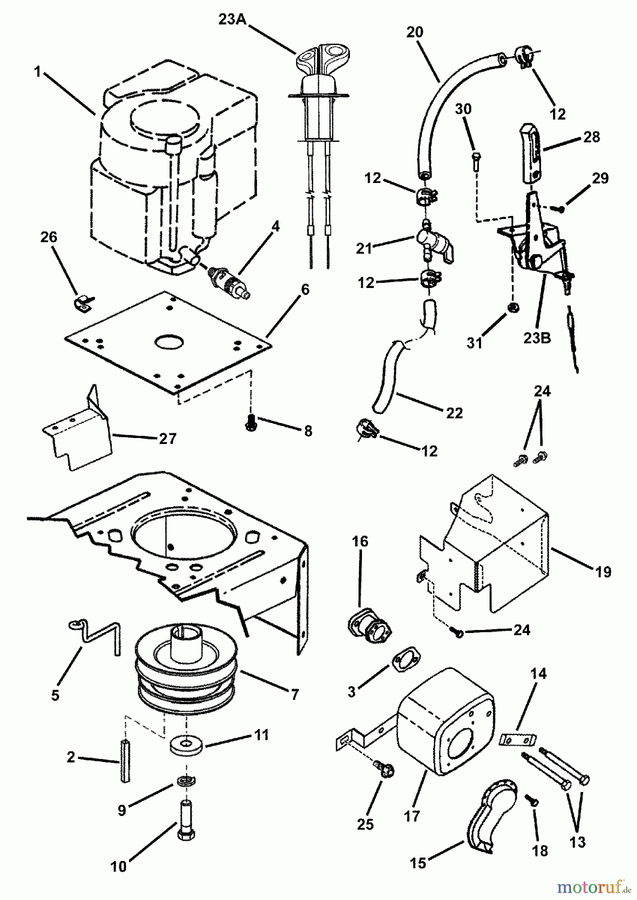
Hier finden Sie die Ersatzteilzeichnung für Snapper Nullwendekreismäher, Zero-Turn YZ16335BVE (84946) - Snapper 33" Zero-Turn Mower, 16 HP, ZTR Scrambler, Series 5 ENGINE COMPONENTS. Wählen Sie das benötigte Ersatzteil aus der Ersatzteilliste Ihres Snapper Gerätes aus und bestellen Sie einfach online. Viele Snapper Ersatzteile halten wir ständig in unserem Lager für Sie bereit.


Qualitätsmanagement
Informieren Sie uns, wenn Sie einen Fehler gefunden haben.

