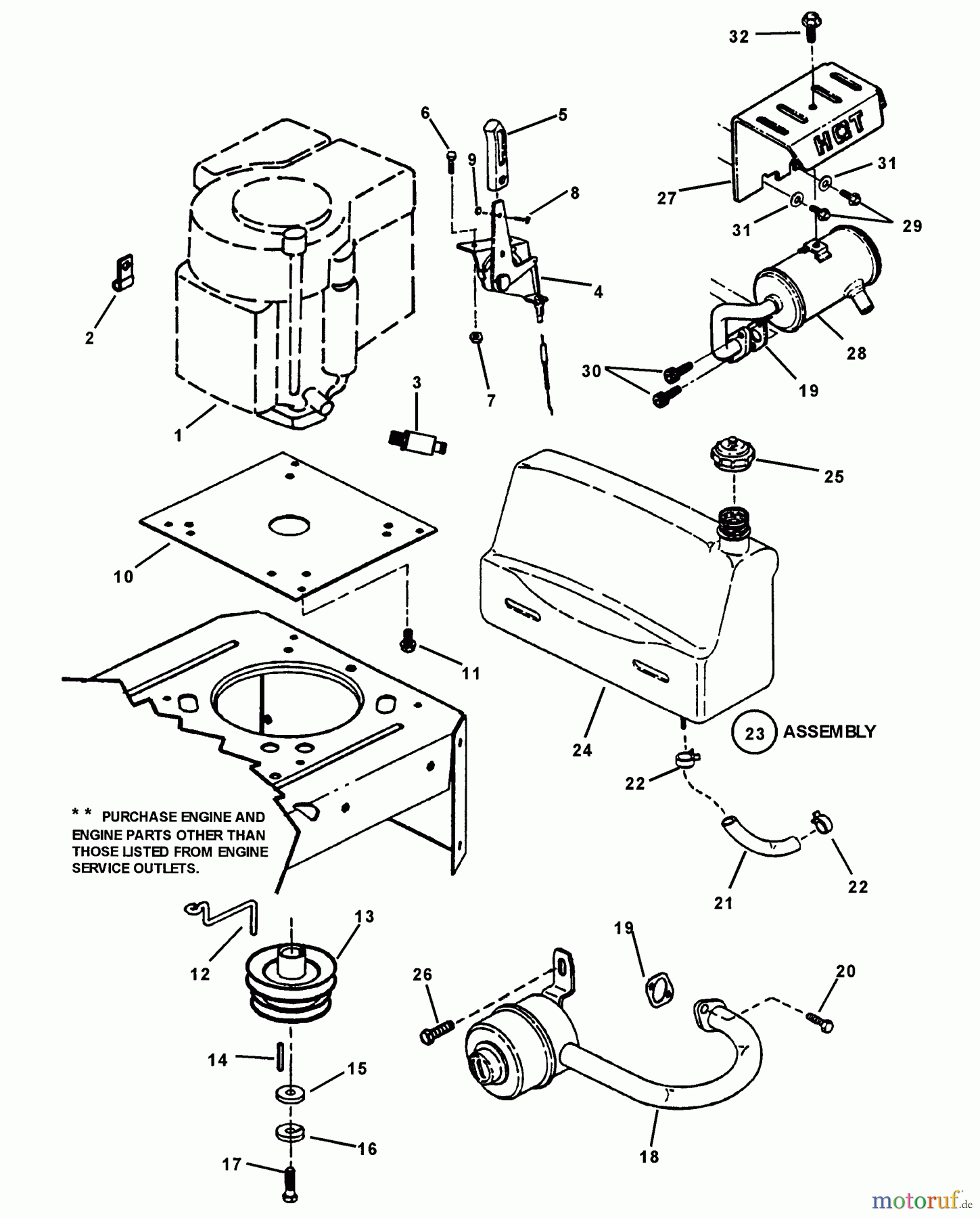
Snapper YZ145332BVE - 33" Zero-Turn Mower, 14.5 HP, ZTR Yard Cruiser, Series 2 Engine Components Ersatzteile
Engine Components YZ145332BVE - Snapper 33" Zero-Turn Mower, 14.5 HP, ZTR Yard Cruiser, Series 2

Hier finden Sie die Ersatzteilzeichnung für Snapper Nullwendekreismäher, Zero-Turn YZ145332BVE - Snapper 33" Zero-Turn Mower, 14.5 HP, ZTR Yard Cruiser, Series 2 Engine Components. Wählen Sie das benötigte Ersatzteil aus der Ersatzteilliste Ihres Snapper Gerätes aus und bestellen Sie einfach online. Viele Snapper Ersatzteile halten wir ständig in unserem Lager für Sie bereit.


Qualitätsmanagement
Informieren Sie uns, wenn Sie einen Fehler gefunden haben.


