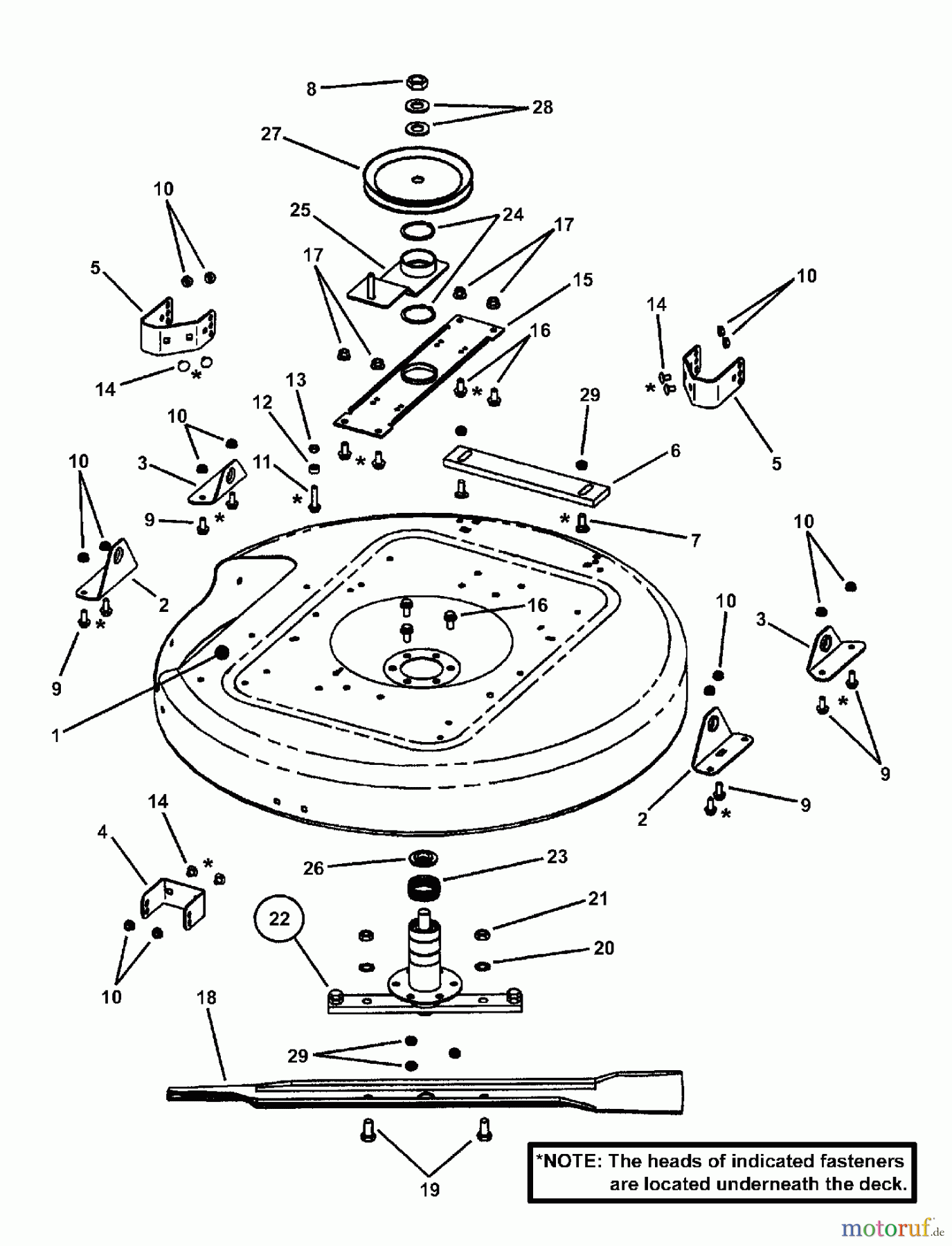
Snapper SZT18336BVE (85679) - 33" Zero-Turn Mower, 18 HP, Twin Stick, ZTR Series 6 33" MOWER DECK ASSEMBLY (Part 1) Ersatzteile
33" MOWER DECK ASSEMBLY (Part 1) SZT18336BVE (85679) - Snapper 33" Zero-Turn Mower, 18 HP, Twin Stick, ZTR Series 6

Hier finden Sie die Ersatzteilzeichnung für Snapper Nullwendekreismäher, Zero-Turn SZT18336BVE (85679) - Snapper 33" Zero-Turn Mower, 18 HP, Twin Stick, ZTR Series 6 33" MOWER DECK ASSEMBLY (Part 1). Wählen Sie das benötigte Ersatzteil aus der Ersatzteilliste Ihres Snapper Gerätes aus und bestellen Sie einfach online. Viele Snapper Ersatzteile halten wir ständig in unserem Lager für Sie bereit.





