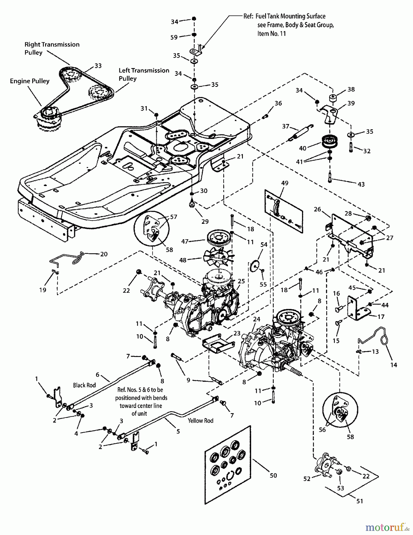
Snapper SC26520 (7800630) - 52" Zero-Turn Mower, 26HP, Twin Stick, ZTR 150Z Series Transmission Group Ersatzteile
Transmission Group SC26520 (7800630) - Snapper 52" Zero-Turn Mower, 26HP, Twin Stick, ZTR 150Z Series

Hier finden Sie die Ersatzteilzeichnung für Snapper Nullwendekreismäher, Zero-Turn SC26520 (7800630) - Snapper 52" Zero-Turn Mower, 26HP, Twin Stick, ZTR 150Z Series Transmission Group. Wählen Sie das benötigte Ersatzteil aus der Ersatzteilliste Ihres Snapper Gerätes aus und bestellen Sie einfach online. Viele Snapper Ersatzteile halten wir ständig in unserem Lager für Sie bereit.


Qualitätsmanagement
Informieren Sie uns, wenn Sie einen Fehler gefunden haben.


