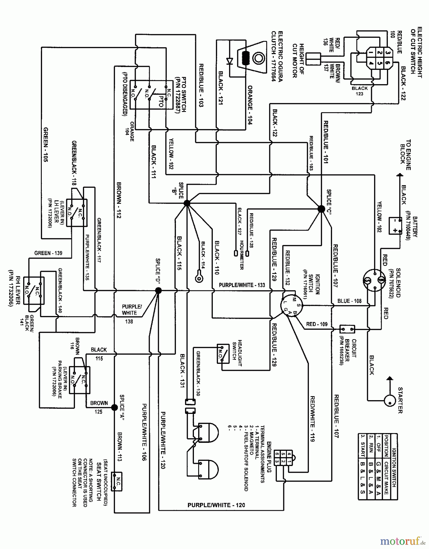
Snapper SC2450 (7800391) - 50" Zero-Turn Mower, 24HP, Twin Stick, ZTR 150Z Series Wiring Schematic Ersatzteile
Wiring Schematic SC2450 (7800391) - Snapper 50" Zero-Turn Mower, 24HP, Twin Stick, ZTR 150Z Series

Hier finden Sie die Ersatzteilzeichnung für Snapper Nullwendekreismäher, Zero-Turn SC2450 (7800391) - Snapper 50" Zero-Turn Mower, 24HP, Twin Stick, ZTR 150Z Series Wiring Schematic. Wählen Sie das benötigte Ersatzteil aus der Ersatzteilliste Ihres Snapper Gerätes aus und bestellen Sie einfach online. Viele Snapper Ersatzteile halten wir ständig in unserem Lager für Sie bereit.
| BildNr | Artikel Nummer | Bezeichnung | |
| 1 | BS7103103YP | KABELSTRANG | |


Qualitätsmanagement
Informieren Sie uns, wenn Sie einen Fehler gefunden haben.

