Snapper SC18533 (7800620) - 33" Zero-Turn Mower, 18.5HP, Twin Stick, ZTR 150Z Series Frame, Body, Seat & Fuel Group - EVAP Compliant (7502281) Ersatzteile
Frame, Body, Seat & Fuel Group - EVAP Compliant (7502281) SC18533 (7800620) - Snapper 33" Zero-Turn Mower, 18.5HP, Twin Stick, ZTR 150Z Series

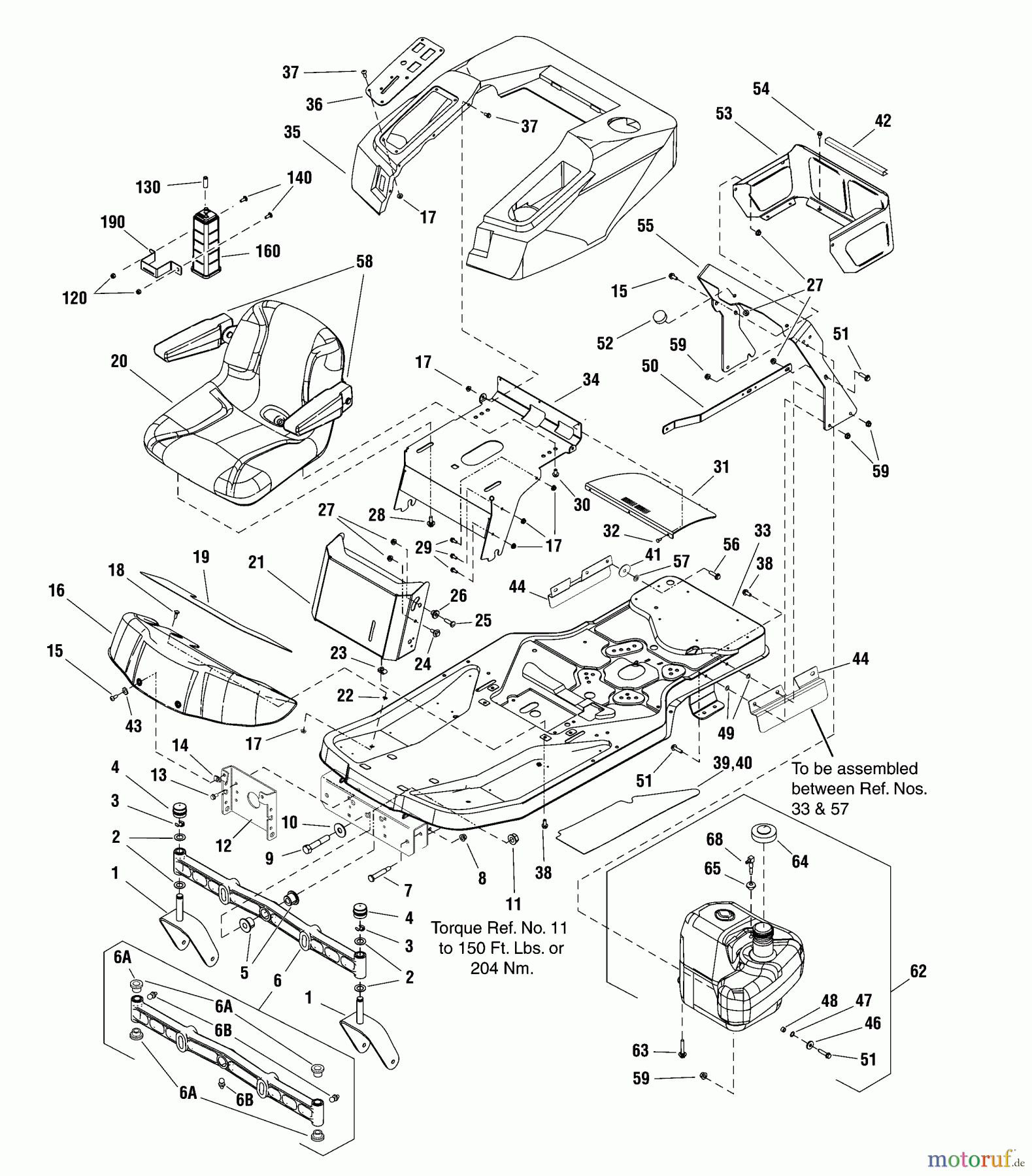
Hier finden Sie die Ersatzteilzeichnung für Snapper Nullwendekreismäher, Zero-Turn SC18533 (7800620) - Snapper 33" Zero-Turn Mower, 18.5HP, Twin Stick, ZTR 150Z Series Frame, Body, Seat & Fuel Group - EVAP Compliant (7502281). Wählen Sie das benötigte Ersatzteil aus der Ersatzteilliste Ihres Snapper Gerätes aus und bestellen Sie einfach online. Viele Snapper Ersatzteile halten wir ständig in unserem Lager für Sie bereit.


Qualitätsmanagement
Informieren Sie uns, wenn Sie einen Fehler gefunden haben.



