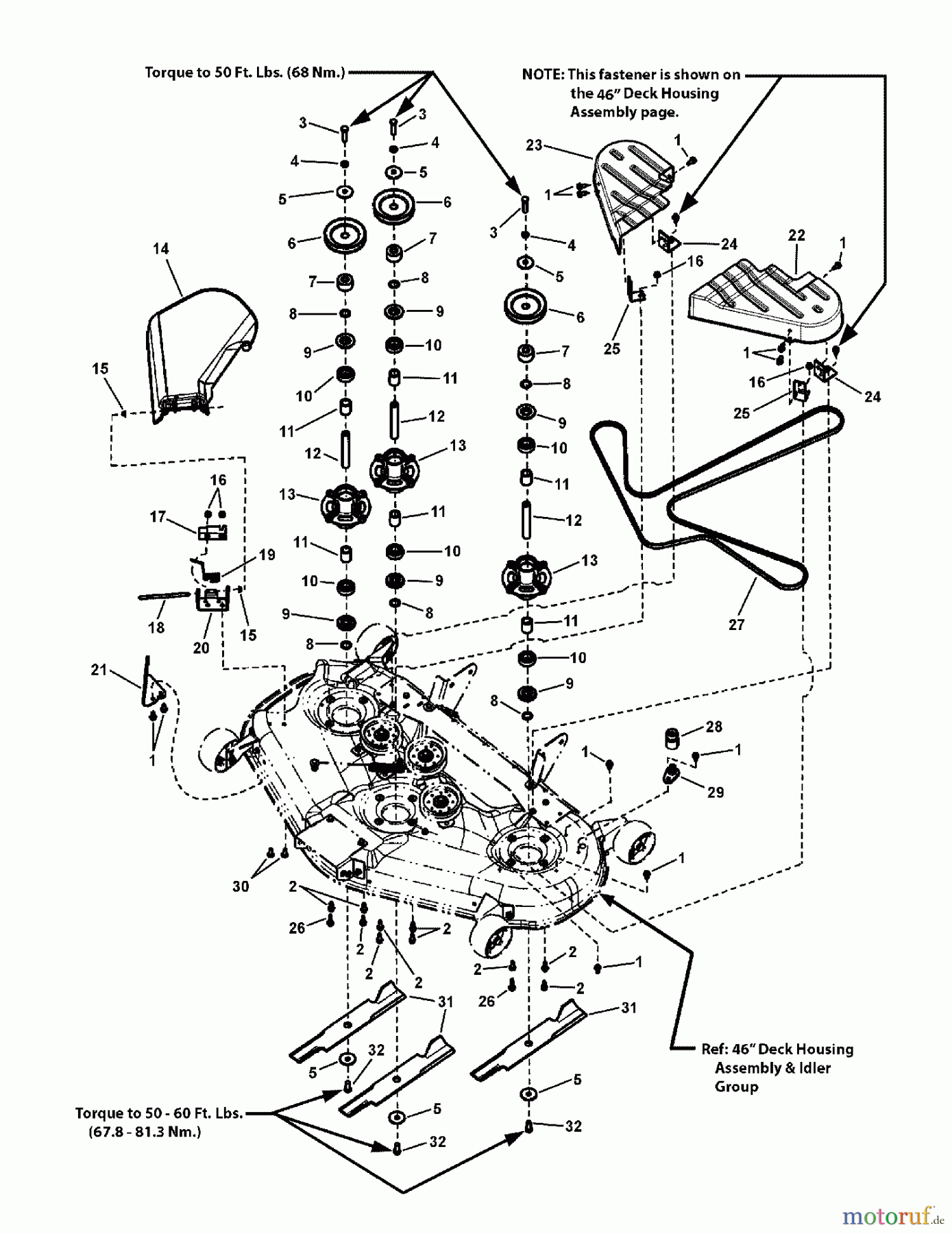
Snapper RZT27460 (7800767) - 46" Zero-Turn Mower, 27 HP, RZT Twin Stick 285Z Series 46" Deck Group Ersatzteile
46" Deck Group RZT27460 (7800767) - Snapper 46" Zero-Turn Mower, 27 HP, RZT Twin Stick 285Z Series

Hier finden Sie die Ersatzteilzeichnung für Snapper Nullwendekreismäher, Zero-Turn RZT27460 (7800767) - Snapper 46" Zero-Turn Mower, 27 HP, RZT Twin Stick 285Z Series 46" Deck Group. Wählen Sie das benötigte Ersatzteil aus der Ersatzteilliste Ihres Snapper Gerätes aus und bestellen Sie einfach online. Viele Snapper Ersatzteile halten wir ständig in unserem Lager für Sie bereit.


Qualitätsmanagement
Informieren Sie uns, wenn Sie einen Fehler gefunden haben.





