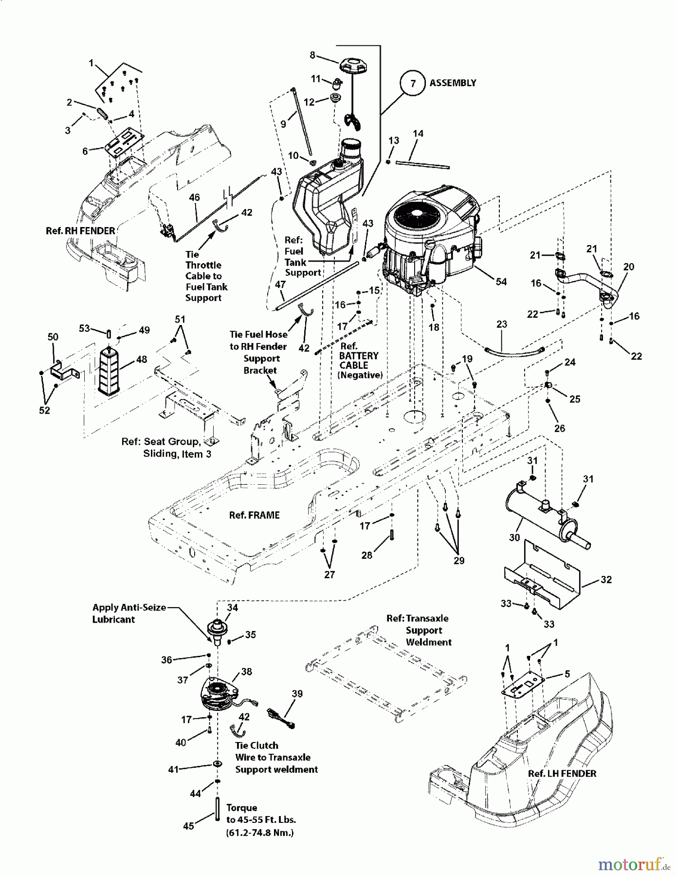
Snapper RZT26520 (7800765-01) - 52" Zero-Turn Mower, 26 HP, RZT Twin Stick, 285Z Series Engine & Emissions Fuel Tank Group Ersatzteile
Engine & Emissions Fuel Tank Group RZT26520 (7800765-01) - Snapper 52" Zero-Turn Mower, 26 HP, RZT Twin Stick, 285Z Series

Hier finden Sie die Ersatzteilzeichnung für Snapper Nullwendekreismäher, Zero-Turn RZT26520 (7800765-01) - Snapper 52" Zero-Turn Mower, 26 HP, RZT Twin Stick, 285Z Series Engine & Emissions Fuel Tank Group. Wählen Sie das benötigte Ersatzteil aus der Ersatzteilliste Ihres Snapper Gerätes aus und bestellen Sie einfach online. Viele Snapper Ersatzteile halten wir ständig in unserem Lager für Sie bereit.


Qualitätsmanagement
 Informieren Sie uns, wenn Sie einen Fehler gefunden haben.



