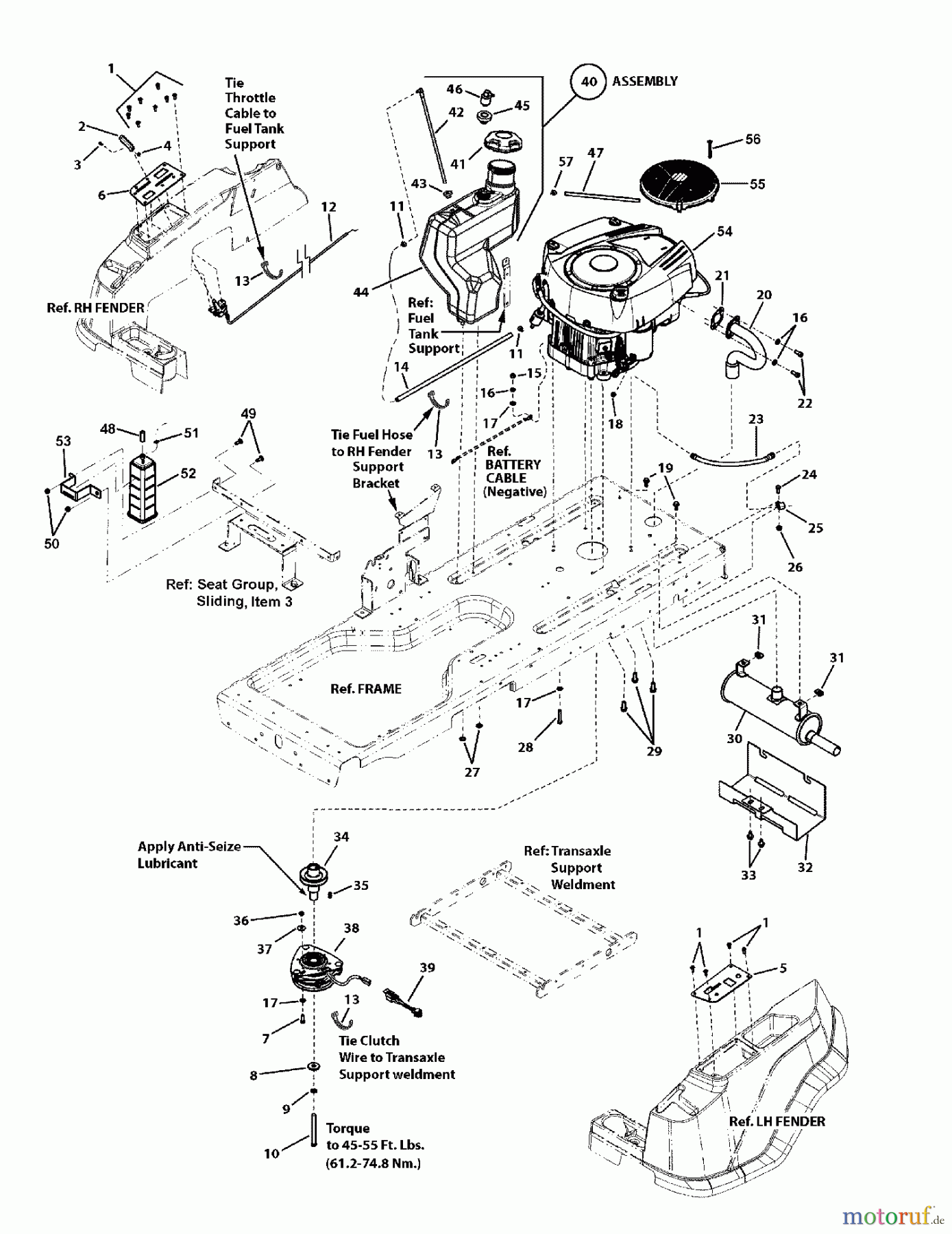
Snapper RZT21420 (7800795) - 42" Zero-Turn Mower, 21 HP, RZT Twin Stick Series 285Z Engine, Clutch & Fuel Tank Group Ersatzteile
Engine, Clutch & Fuel Tank Group RZT21420 (7800795) - Snapper 42" Zero-Turn Mower, 21 HP, RZT Twin Stick Series 285Z

Hier finden Sie die Ersatzteilzeichnung für Snapper Nullwendekreismäher, Zero-Turn RZT21420 (7800795) - Snapper 42" Zero-Turn Mower, 21 HP, RZT Twin Stick Series 285Z Engine, Clutch & Fuel Tank Group. Wählen Sie das benötigte Ersatzteil aus der Ersatzteilliste Ihres Snapper Gerätes aus und bestellen Sie einfach online. Viele Snapper Ersatzteile halten wir ständig in unserem Lager für Sie bereit.





