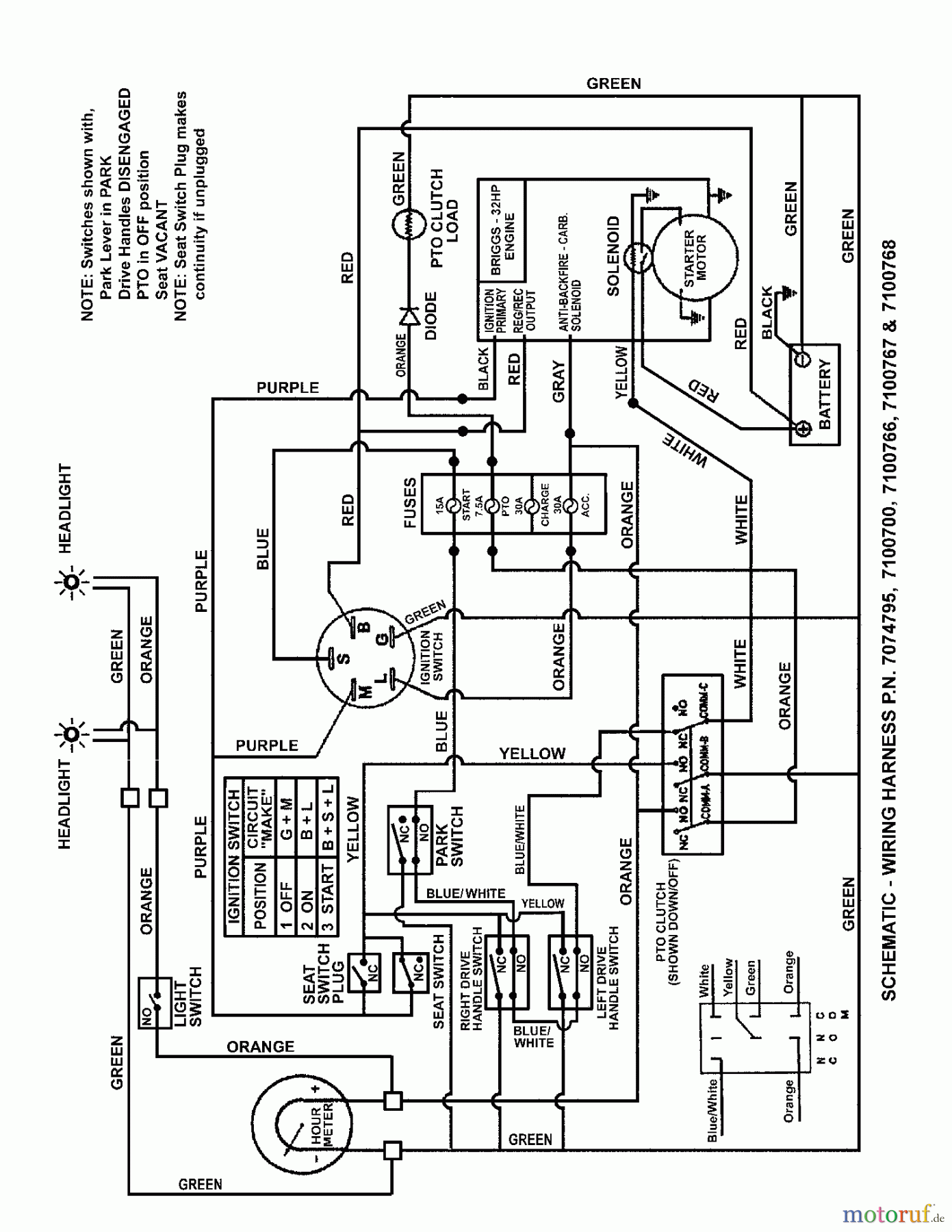
Snapper NZMXL32734BV (7800073) - 73" Zero-Turn Mower, 32 HP, B&S, Mid Mount, Large Frame, Z-Rider Commercial Lawn & Turf Series 4 WIRING SCHEMATIC (Briggs Engines) Ersatzteile
WIRING SCHEMATIC (Briggs Engines) NZMXL32734BV (7800073) - Snapper 73" Zero-Turn Mower, 32 HP, B&S, Mid Mount, Large Frame, Z-Rider Commercial Lawn & Turf Series 4

Hier finden Sie die Ersatzteilzeichnung für Snapper Nullwendekreismäher, Zero-Turn NZMXL32734BV (7800073) - Snapper 73" Zero-Turn Mower, 32 HP, B&S, Mid Mount, Large Frame, Z-Rider Commercial Lawn & Turf Series 4 WIRING SCHEMATIC (Briggs Engines). Wählen Sie das benötigte Ersatzteil aus der Ersatzteilliste Ihres Snapper Gerätes aus und bestellen Sie einfach online. Viele Snapper Ersatzteile halten wir ständig in unserem Lager für Sie bereit.
| BildNr | Artikel Nummer | Bezeichnung | |
| BS7074795YP | (C) WIRE HARNESS | ||



