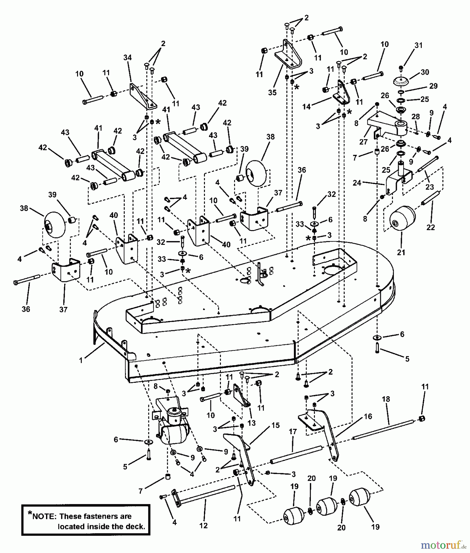
Snapper NZMXL30614KH (7800088) - 61" Zero-Turn Mower, 30 HP, Kohler, Mid Mount, Large Frame, Z-Rider Commercial Lawn & Turf Series 4 61" CUTTING DECK ASSEMBLY (Sub Assy) Ersatzteile
61" CUTTING DECK ASSEMBLY (Sub Assy) NZMXL30614KH (7800088) - Snapper 61" Zero-Turn Mower, 30 HP, Kohler, Mid Mount, Large Frame, Z-Rider Commercial Lawn & Turf Series 4

Hier finden Sie die Ersatzteilzeichnung für Snapper Nullwendekreismäher, Zero-Turn NZMXL30614KH (7800088) - Snapper 61" Zero-Turn Mower, 30 HP, Kohler, Mid Mount, Large Frame, Z-Rider Commercial Lawn & Turf Series 4 61" CUTTING DECK ASSEMBLY (Sub Assy). Wählen Sie das benötigte Ersatzteil aus der Ersatzteilliste Ihres Snapper Gerätes aus und bestellen Sie einfach online. Viele Snapper Ersatzteile halten wir ständig in unserem Lager für Sie bereit.



