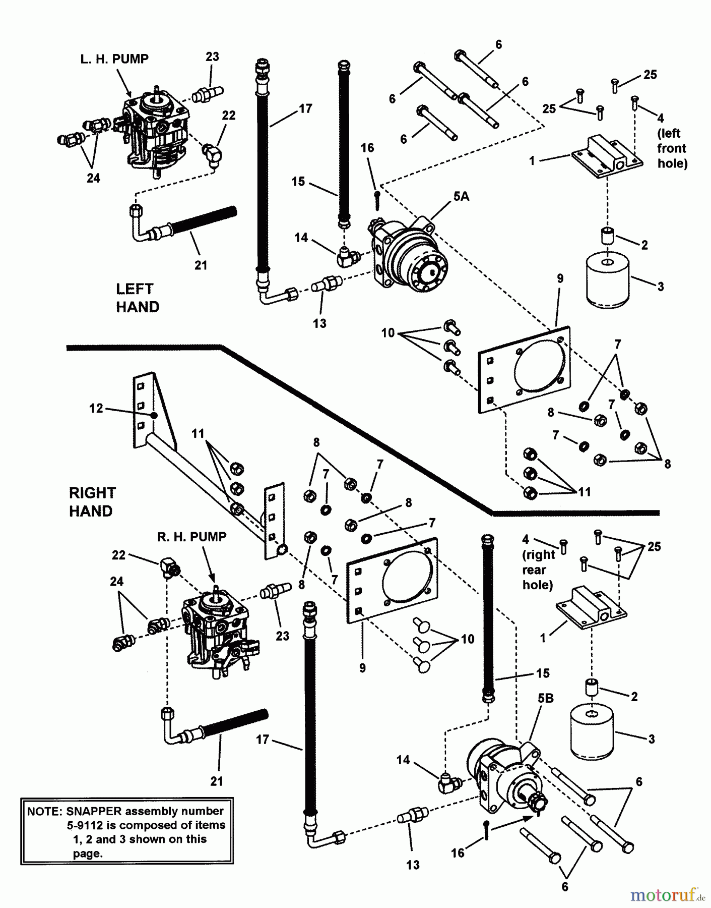
Snapper NZM19481KWV (84948) - 48" Zero-Turn Mower, 19 HP, Kawasaki, Mid Mount, Z-Rider Commercial Lawn & Turf Series 1 HOSE ASSEMBLY (48" & 52" DECK, SERIES 1) PT.1 Ersatzteile
HOSE ASSEMBLY (48" & 52" DECK, SERIES 1) PT.1 NZM19481KWV (84948) - Snapper 48" Zero-Turn Mower, 19 HP, Kawasaki, Mid Mount, Z-Rider Commercial Lawn & Turf Series 1

Hier finden Sie die Ersatzteilzeichnung für Snapper Nullwendekreismäher, Zero-Turn NZM19481KWV (84948) - Snapper 48" Zero-Turn Mower, 19 HP, Kawasaki, Mid Mount, Z-Rider Commercial Lawn & Turf Series 1 HOSE ASSEMBLY (48" & 52" DECK, SERIES 1) PT.1. Wählen Sie das benötigte Ersatzteil aus der Ersatzteilliste Ihres Snapper Gerätes aus und bestellen Sie einfach online. Viele Snapper Ersatzteile halten wir ständig in unserem Lager für Sie bereit.



