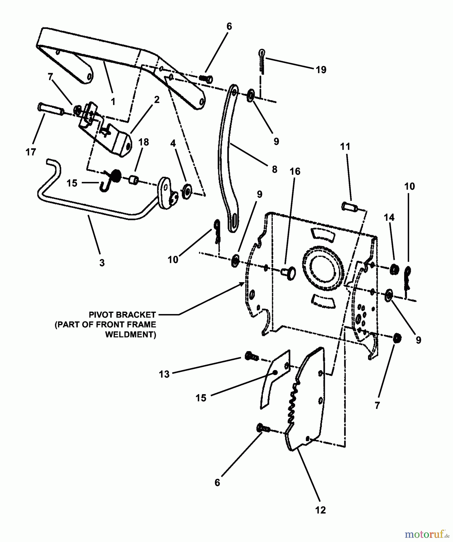
Snapper HZS15423KVE - 42" Zero-Turn Mower, 15 HP, ZTR Yard Cruiser, Series 3 Deck Lift Handle Assembly (Except 48" Model) Ersatzteile
Deck Lift Handle Assembly (Except 48" Model) HZS15423KVE - Snapper 42" Zero-Turn Mower, 15 HP, ZTR Yard Cruiser, Series 3

Hier finden Sie die Ersatzteilzeichnung für Snapper Nullwendekreismäher, Zero-Turn HZS15423KVE - Snapper 42" Zero-Turn Mower, 15 HP, ZTR Yard Cruiser, Series 3 Deck Lift Handle Assembly (Except 48" Model). Wählen Sie das benötigte Ersatzteil aus der Ersatzteilliste Ihres Snapper Gerätes aus und bestellen Sie einfach online. Viele Snapper Ersatzteile halten wir ständig in unserem Lager für Sie bereit.


Qualitätsmanagement
Informieren Sie uns, wenn Sie einen Fehler gefunden haben.


