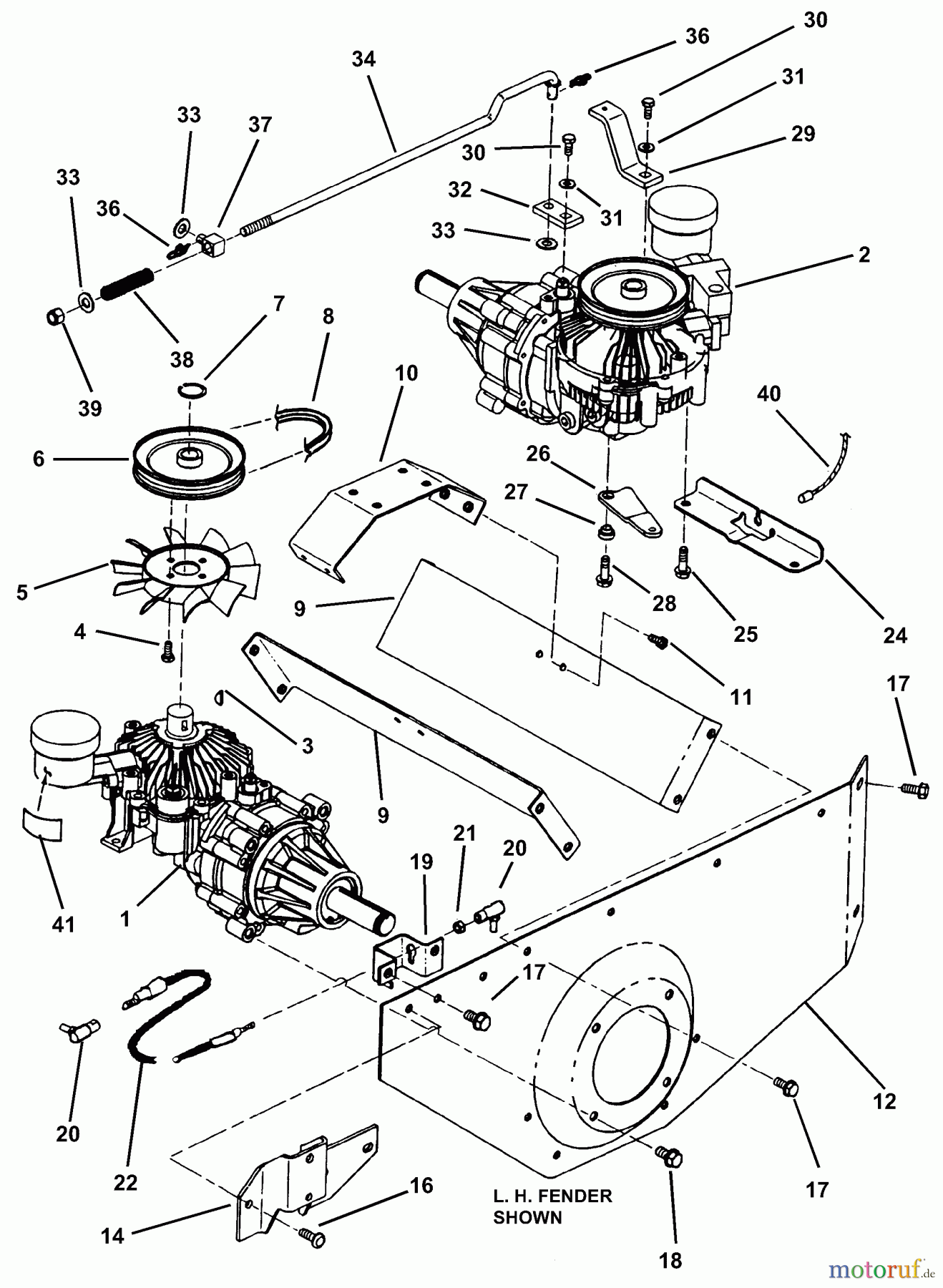
Snapper HZS15421KVE - 42" Zero-Turn Mower, 15 HP, ZTR Yard Cruiser, Series 1 Fender & Transaxle Assembly Ersatzteile
Fender & Transaxle Assembly HZS15421KVE - Snapper 42" Zero-Turn Mower, 15 HP, ZTR Yard Cruiser, Series 1

Hier finden Sie die Ersatzteilzeichnung für Snapper Nullwendekreismäher, Zero-Turn HZS15421KVE - Snapper 42" Zero-Turn Mower, 15 HP, ZTR Yard Cruiser, Series 1 Fender & Transaxle Assembly. Wählen Sie das benötigte Ersatzteil aus der Ersatzteilliste Ihres Snapper Gerätes aus und bestellen Sie einfach online. Viele Snapper Ersatzteile halten wir ständig in unserem Lager für Sie bereit.


Qualitätsmanagement
 Informieren Sie uns, wenn Sie einen Fehler gefunden haben.

