Snapper HZS14331BVE - 33" Zero-Turn Mower, 14 HP, ZTR Yard Cruiser, Series 1 Mower Deck Assembly (Part 3) Ersatzteile
Mower Deck Assembly (Part 3) HZS14331BVE - Snapper 33" Zero-Turn Mower, 14 HP, ZTR Yard Cruiser, Series 1

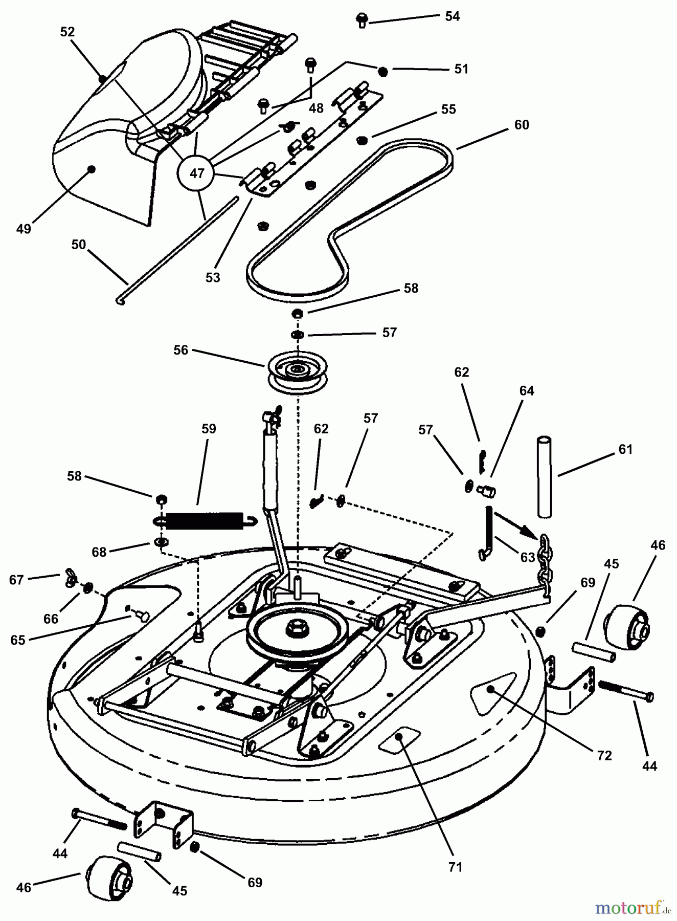
Hier finden Sie die Ersatzteilzeichnung für Snapper Nullwendekreismäher, Zero-Turn HZS14331BVE - Snapper 33" Zero-Turn Mower, 14 HP, ZTR Yard Cruiser, Series 1 Mower Deck Assembly (Part 3). Wählen Sie das benötigte Ersatzteil aus der Ersatzteilliste Ihres Snapper Gerätes aus und bestellen Sie einfach online. Viele Snapper Ersatzteile halten wir ständig in unserem Lager für Sie bereit.






