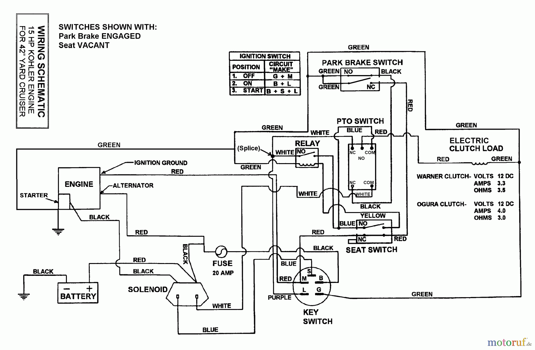
Snapper HZ14380BVE - 38" Zero-Turn Mower, 14 HP, ZTR Yard Cruiser, Series 0 Wiring Schematic Ersatzteile
Wiring Schematic HZ14380BVE - Snapper 38" Zero-Turn Mower, 14 HP, ZTR Yard Cruiser, Series 0

Hier finden Sie die Ersatzteilzeichnung für Snapper Nullwendekreismäher, Zero-Turn HZ14380BVE - Snapper 38" Zero-Turn Mower, 14 HP, ZTR Yard Cruiser, Series 0 Wiring Schematic. Wählen Sie das benötigte Ersatzteil aus der Ersatzteilliste Ihres Snapper Gerätes aus und bestellen Sie einfach online. Viele Snapper Ersatzteile halten wir ständig in unserem Lager für Sie bereit.


Qualitätsmanagement
Informieren Sie uns, wenn Sie einen Fehler gefunden haben.

