Snapper EZF2101DKU - 21 HP Zero-Turn Mower, Kubota, Out Front, Z-Rider Series 1 Wiring Schematic (Gas Only) Ersatzteile
Wiring Schematic (Gas Only) EZF2101DKU - Snapper 21 HP Zero-Turn Mower, Kubota, Out Front, Z-Rider Series 1

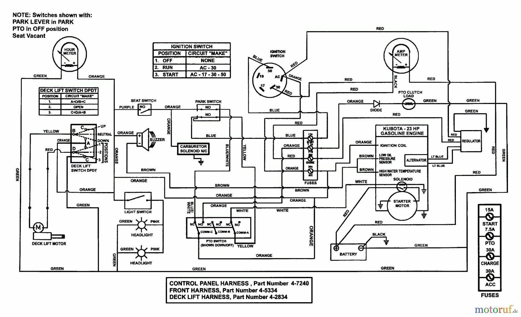
Hier finden Sie die Ersatzteilzeichnung für Snapper Nullwendekreismäher, Zero-Turn EZF2101DKU - Snapper 21 HP Zero-Turn Mower, Kubota, Out Front, Z-Rider Series 1 Wiring Schematic (Gas Only). Wählen Sie das benötigte Ersatzteil aus der Ersatzteilliste Ihres Snapper Gerätes aus und bestellen Sie einfach online. Viele Snapper Ersatzteile halten wir ständig in unserem Lager für Sie bereit.
| BildNr | Artikel Nummer | Bezeichnung | |
| 47240 | BS7047240YP | (C) HARNESS, CONTROL | |
| 45334 | BS7045334YP | (C) HARNESS, FRONT, O | |
| 42834 | BS7042834YP | (C) HARNESS, DECK LIF | |


Qualitätsmanagement
Informieren Sie uns, wenn Sie einen Fehler gefunden haben.

